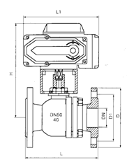
螺纹球阀
“上SQ泉”系列电动球阀旋转90°即可全关全开,与相同规格的闸阀和截止阀比较。阀体通道和连接管径相等并成一直径,介质几乎可以毫无损失的流过。球阀是一种重要的阀类,在石油化工和长输管线等领域有广泛应用。它的关闭件是一个带孔的部分球体,球体随阀杆转动,实现阀门的开启或关闭。其特点如下:
① 适用于两位切断、调节的场合。
② 电动球阀可实现对石油、化工、造纸、冶金、污水处理、油罐车等运输管道内介质的切断和流通。
③ 密封性能优良、流通能力大、装卸维护方便、流阻小、密封可靠,甚至切断。
④ 电动电动阀门体积小、重量轻、推力大、功能强、伺服放大器内装、操作方便、可靠性高。
⑤ 流向可任意,可调范围广,能用于高压和大口径场合,控制高粘度,带有纤维和细颗粒的介质。
直连方式,电动执行机构内置伺服系统,无须另配伺服放大器,输入输出信号4-20mA及3800VAC电源即可控制运转。具有连线简单、结构紧凑、动作稳定可靠等优点。球阀是本世纪50年代问世的一种阀门,在半个世纪的时间里,球阀已发展成为一种主要的阀类。球阀主要用于截断或接通介质,也可用于流体的调节与控制,V型球阀能够进行比较精确的流量调节与控制,而三通球阀则用于分配介质和改变介质的流向。与其它阀类相比,球阀具有如下的一些优点:1、流体阻力小,球阀是所有阀类中流体阻力最小的一种,即使是缩径球阀,其流体阻力也相当小。2、开关迅速、方便,只要阀杆转动90°,球阀就完成了全开或全关动作,很容易实现快速启闭。3、密封性能好。球阀阀座密封圈一般采用聚四氟乙烯等弹性材料制造,易于保证密封,而且球阀的密封力随着介质压力的增加而增大。4、阀杆密封可靠。球阀启闭时阀杆只作旋转运动,因此阀杆的填料密封不易被破坏,而且阀杆倒密封的密封力随着介质压力的增加而增大。5、球阀的启闭只做90°转动,故容易实现自动化控制和远距离控制,球阀可配置气动装置、电动装置、液动装置、气液联动装置或电液联动装置。6、球阀通道平整光滑,不易沉积介质,可以进行管线通球。
2、电动螺纹球阀
技术参数
