更多
正品 APEX台湾錩钢PLT-307-PM-RF航空插头
1台起批
40.00
点此议价
产品属性
图文详情
品牌推荐
品牌/型号
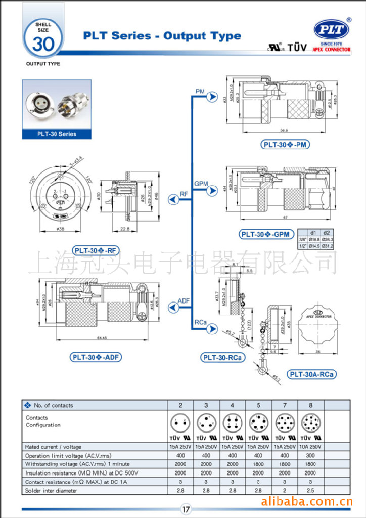
台湾錩钢PLT/PLT-307-PM-RF
型号
PLT-307-PM-RF
品牌
台湾錩钢PLT
额定电压
250(V)V
额定电流
15(A)A
环境温度
-20~+80(℃)℃
孔位数
7个
导电体材质
壳体材质
锌合金
加工定制
产品认证
RU,TUV
电工电料、线缆照明 > 电工电料 > 插座 > 工业插座 >
马可波罗版权所有1999-2020