
HD-D380BCM型三相电源防雷模块
型號:HD-D380BCM160 HD-D380BCM100 HD-D380BCM80 HD-D380BCM60
产品简介:
复合型电源电源防雷模块采用当今最先进的提前点火间隙防雷行业技术,使放电间隙与限压元件同时动作,达到无距离匹配。
该产品既能达到B级电源防雷器的能量水平,又能达到C级电源防雷器的限制电压水平,通流容量为60~100kA(8/20μS),适用于加建筑物、机房、工厂、企业等总电源的一、二、三级防雷,确保电子设备及其他用电设备的安全运行。
本系列电源避雷箱安装方便,产品功能齐全,具备避雷功能正常检测及可选配雷击计数显示、过电压报警、无线报警等功能,并加装过流过热脱扣机制,符合电气安全标准。
适用防雷区域:60~100KA(8/20μS)LPZ0~1区。此为一般性推荐使用,实际方案设计应综合考虑防雷环境。
技术参数表:
型 号 | HD-D380BCM160 | HD-D380BCM100 | HD-D380BCM80 | HD-D380BCM60 |
标称工作电压Un | 380V | 380V | 380V | 380V |
最大持续工作电压Uc | 385V | 385V | 385V | 385V |
标称放电电流In(8/20ms) | 80KA | 50KA | 40KA | 30KA |
最大放电电流Imax(8/20ms) | 160KA | 100KA | 80KA | 60KA |
电压保护水平Up | 2.7KV | 2KV | 1.8KV | 1.5KV |
外形尺寸 | 197×90×64mm |
响应时间Ta | ≤25ns |
工作温度范围Tup | -40℃至+80℃ |
最小安装导体截面 | 10mm2多股线 |
保护等级 | IP20 |
外壳材料 | 阻燃热塑性材料 |
接线方式 | 并联 |
保护方式 | 4+0/3+1/1+1/2+0 |
产品尺寸图:

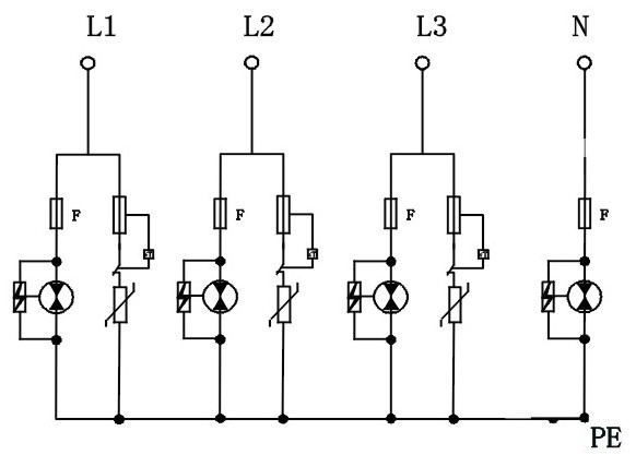
产品基本电路图:

产品接线图:

安装方法:
远距离架空进线在进入建筑物时将零线重复接地。
电源相线(L)、零线(N)分别接入电源防雷模块相应接线端子,保证牢固及可靠,将电源防雷模块接地端与防雷地线(推荐接地电阻≤4Ω)作良好电气连接。
注意事项:
建议导线规格:不小于16平方,导线要求短、直。
保护器的电压参数与设备工作参数不符时,可能影响线路工作,建议选型时确定设备工作电压。
模块指示窗口显示绿色时为正常,显示红色时为失效,表示模块已劣化,应立即更换。
电涌保护器性能稳定,无须作特别维护,建议在雷雨季节前后进行检查。
维护及拆卸保护器时需由专业电工操作。
声明:
本产品依据标准IEC61643-1:1998及GB18802.1-2002制造而成,用户可凭合格证明获得相应的维修服务。