

SXF系列双向润滑油泵,它的主要特点是体积小,可附着在机械上与之成为一体而不需专门提供动力,转速应用范围广,能在每分钟100-150转内使用,驱动轴正反转时,其进油口和出油口不变。长时间停止使用再运转时,也能自动吸油启动,因为它具有自动润滑、磨损自动补偿功能,所以无需日常维护而使用寿命长。广泛应用于各种冶金机械、石油化工机械、矿山机械、传动机械、减速机,适用于偏心受力传动、轴向传动的机械设备中的润滑。

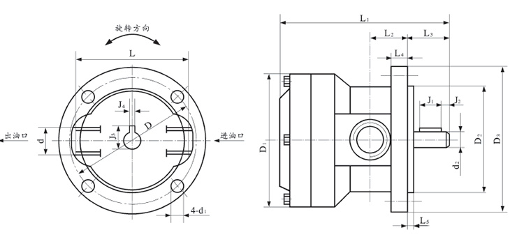
型号 | 流量 L/min | D | D1 | d | d1 | d2j6 | D2j6 | D3 | L | L1 | L2 | L3 | L4 | L5 | J1 | J2 | J3 | J4 |
SXF15 | 1.5 | 95 | 123 | Z1/2" | 10.5 | 12 | 80 | 110 | 86 | 119 | 29 | 33 | 11 | 3 | 25 | 2 | 13.5 | 4 |
SXF25 | 5-50 | 120 | 130 | Z1" | 11.5 | 16 | 100 | 140 | 108 | 171 | 55 | 38 | 12 | 3 | 25 | 4 | 17.5 | 4 |
SXF32 | 9-90 | 140 | 120 | Z11/4" | 11.5 | 20 | 120 | 160 | 109 | 209 | 97 | 38 | 12 | 3 | 25 | 4 | 22.5 | 4 |
三、技术规格
使用说明:
1、油泵安装须注意进出油口标记,进油口为S,出油口为D,若方向不对,不但不上油而且会损坏油泵
2、为了减少排空时间,吸油管路下端要安装与本泵配套的管式单向阀,单向阀的位置应处于泵与油液平面1/2处,安装时向泵内及吸油管内注满油。
3、吸油管路应保证密封无泄漏,否则油泵不出油或达不到出油标准。
4、正常工作转速为100-1500r/min。
5、最高工作环境温度100℃。
6、吸油高度小于2m。
订货说明:
1、需方浏览网站,选择适合的产品,如有疑问请拨打:0523 87892801,手机13605265960 。
2、供方根扭需方要求帮助选型及通过传真方式及时发送产品型号和报价.
3、经供需双方共同协商,就产品达成意向签订正式供货合同,合同签定可以通过传真、邮件或快递达成。
4、根据合同的约定,需方支付货款,供方及时发出货物。
5、供方发货后,提供运输承担方到货电话及运单号,以便需方及时查询货物的运输及到货情况。
6、供方咨询电话:0523 87892801、13605265960,传真:0523 87892801。
7、合同签订后,需方应及时将开票资料、票据类型、收货人、电话号码、详细的收件地址提供给供方。
8、发货及到货:需方货款到账后,一般2个工作日内发货,托托物流公司送货,全国大中城市一般3-6天到货。
售后服务:
我厂产品 质保期 一般为一年,如果有特别要求,我厂签发质保证。