特点简介 Y17系列电连接器,采用卡口式连接方式。 使用便捷,锁紧可靠,广泛适用于各种电气 设备之间电路连接。 主要技术性能 环境性能 —工作温度:焊接式-55℃~+125℃ —相对湿度:40℃时达95% —工作高度:海拔30000m —振动:频率10Hz~2000Hz 加速度196m/s² —冲击:加速度490 m /s² —恒加速度:加速度490 m /s² |  |
电气性能
—接触电阻及额定电流
接触件规格(mm) | 接触电阻(mΩ) | 额定电流(A) |
Φ1.5 | ≤3 | 10 |
Φ2.5 | ≤1 | 25 |
Φ3.5 | ≤1 | 50 |
Φ5.0 | ≤1 | 75 |
Φ7.0 | ≤1 | 100 |
Φ10.0 | ≤1 | 200 |
—额定电压、耐电压及绝缘电阻
工作环境 | 额定电压(V) | 耐电压(V) | 绝缘电阻(mΩ) |
常温常压 | 500 | 1500 | ≥1000 |
湿 热 | 300 | 300 | ≥20 |
高 温 | 250 | ---- | ≥500 |
低气压条件1kpa | 150 | 250 | ---- |
机械性能
—壳体:高强度铝合金材料、铜合金材料
—镀层:氧化着本色
—绝缘体:耐热热塑性材料
—接触件:铜合金材料
—镀层 :金
—机械寿命:500次
标记代号及意义

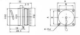
外形及安装尺寸

壳体号 | D | L |
10 | 22.5 | 31.5 |
12 | 26.5 | 31.5 |
16 | 33 | 31.5 |
20 | 39 | 31.5 |
28 | 2804 | 52 | 34 |
2824 | 31.5 |
方形法兰盘插座

壳体号 | D | D1 | D2 | d | A | B |
10 | 18.5 | 17.5 | 16 | 3.4 | 24 | 18±0.2 |
12 | 22.5 | 21.5 | 20 | 3.4 | 27 | 21±0.2 |
16 | 29.5 | 27.5 | 26 | 3.4 | 32 | 26±0.2 |
20 | 35.5 | 33.5 | 32 | 5.5 | 42 | 33±0.2 |
28 | 50 | 45.5 | 44 | 5.5 | 53 | 42±0.2 |
园形法兰盘插座

夹线板式电缆罩

壳体号 | D | d | L |
10 | 18.5 | 7 | 17 |
12 | 22.5 | 10 | 17 |
16 | 29.5 | 13.5 | 25 |
20 | 大夹线板 | 35.5 | 20 | 26.5 |
小夹线板 | 15.5 | 23 |
28 | 50 | 29 | 36.5 |
灌封式电缆罩

壳体号 | D | d | L |
10 | 18.5 | 9 | 18 |
12 | 22.5 | 13 | 18 |
16 | 29.5 | 17 | 28.5 |
20 | 35.5 | 23 | 28.5 |
90度弯式电缆罩

壳体号 | D | d | L | H |
16 | 29.5 | 13 | 34 | 24.5 |
20 | 35.5 | 16 | 37 | 27.5 |
热缩管式电缆罩

壳体号 | d1 | L1 | d2 | L2 | D |
10 | 10 | 27 | 10 | 33 | 23 |
12 | 13 | 30 | 15 | 33 | 26 |
16 | 18 | 32 | 18 | 33 | 32 |
20 | 24 | 35 | 27.7 | 33 | 38 |
Y17系列接点排列(装针绝缘体插合面视图)


孔位排列 | 接触件数 | 工作电流(A) | 孔位排列 | 接触件数 | 工作电流(A) |
1003 | 3-Φ1.5 | 10 | 2004 | 40-Φ5 | 75 |
1204 | 4-Φ2.5 | 25 | 2012(Ⅰ) | 8-Φ1.5/4-Φ3.5 | 10/50 |
1207 | 7-Φ1.5 | 10 | 2012(Ⅱ) | 6-Φ1.5/6-Φ2.5 | 10/25 |
1601 | 1-Φ10 | 200 | 2019 | 19-Φ1.5 | 10 |
1604 | 4-Φ3.5 | 30 | 2804 | 4-Φ7 | 100 |
1612 | 12-Φ1.5 | 10 | 2824 | 14-Φ1.5/10-Φ2.5 | 10/25 |