Y50EX系列
简介 英制电连接器,符合国军标GJB598A-96 (MIL-C-26482)标准,采用内卡口锁紧形式, 插座密封,有多种安装方式,插头有多种出线 形式。 技术特性 环境性能 工作温度:-55℃~+125℃ 相对湿度:40℃时达95% 工作高度:海拔30000m 振动:频率10Hz~2000 Hz加速度196m/s2 冲击:加速度490m/s2 恒加速度:490m/s2 密封性:耐压0.2MPa 防盐雾,防潮湿,防霉菌性能等符合GJB598A-96标准的要求。 |  |
电气性能
接触电阻及额定电流
| 接触件规格(mm) | 接触电阻(mΩ) | 额定电流(A) |
| φ0.8 | ≤6 | 3 |
| φ1.0 | ≤5 | 5 |
| φ1.6 | ≤3 | 10 |
| φ2.39 | ≤1.5 | 20 |
| φ3.6 | ≤1 | 50 |
额定电压、耐电压及绝缘电阻
| 工作环境 | 额定电压V | 耐电压V | 绝缘电阻MΩ |
| 常温常压 | 500 | 1500 | ≥3000 |
| 湿热 | 500 | 550 | ≥20 |
| 高温 | 500 | — | ≥500 |
| 低气压条件4.39KPa | 300 | 375 | — |
射频抗干扰衰减值
| 频率MHz | 100 | 150 | 200 | 300 | 400 | 600 | 800 | 1000 |
| 衰减dB | 65 | 60 | 60 | 55 | 55 | 50 | 45 | 45 |
外壳间电连续性:非屏蔽≥200mΩ,屏蔽≥5mΩ
机械性能
壳体:高强度铝合金材料,不锈钢
非屏蔽镀层:阳极氧化作色
屏蔽镀层:镀锌彩虹色钝化或军绿色钝化、化学镀镍、喷沙镀镍
绝缘体:耐热热塑性材料
接触件:铜合金材料 表面镀金
机械寿命:500次
标记、代号及意义

表
| 符号 | X | Q | P | N | H | A |
| 代表意义 | 焊接胶封 | 压接屏蔽胶封 | 焊接屏蔽胶封 | 压接胶封 | 玻璃烧结密封 | 印制板焊接胶封 |
绝缘板安装位置




表1
壳体号 | 6 | 8 | 10 | 12 | 14 | 16 | 18 | 20 | 22 | 24 |
接触件数 | 2 | 3 | 4 | 7 | 3 | 3A | 33 | 6 | 10 | 5 | 12 | 15 | 18 | 19 | 8 | 26 | 32 | 39 | 41 | 55 | 61 |
N | - | - | - | - |
W | - | - | - | - | 60 | 90 | 60 | 40 | 43 | 17 | 15 | 30 | 54 | 60 | 85 | 63 | 45 | 30 | 96 |
X | - | - | - | - | 210 | 155 | 92 | 90 | 110 | 90 | 165 | 152 | - | 138 | 144 | 126 | 142 | 180 |
Y | - | - | - | - | - | 27 | 184 | - | 155 | 180 | 315 | 180 | 275 | 222 | 252 | 225 | 226 | 270 |
Z | - | - | - | - | - | 295 | 273 | - | 234 | 270 | - | 331 | 338 | 265 | 333 | - | 314 | 324 |
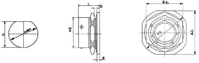
插座外形及安装尺寸
插座外形尺寸(螺母并紧式)

壳体号 | G | d | B | D | S | A | L | d1 | H |
N(min) N(max)
06 | 1.57 | 3.17 | 10.60 | 2.5 | 20 | 17 | 17 | 20 | 12.5 | 11.4 |
08 | 12.04 | 3.0 | 27.25 | 19.3 | 23.8 | 21 | 14.6 | 13.28 |
10 | 15.00 | 30.5 | 22.4 | 26.95 | 21 | 17.75 | 16.95 |
12 | 19.00 | 34.5 | 27 | 32 | 22 | 22.5 | 20.9 |
14 | 22.20 | 39 | 30.33 | 35 | 21.5 | 25.7 | 24 |
16 | 25.41 | 41.25 | 33.3 | 38.24 | 21 | 28.85 | 27.35 |
18 | 28.60 | 44.6 | 36.7 | 41.5 | 21 | 32.05 | 30 |
20 | 6.35 | 31.71 | 3.6 | 49 | 39.8 | 46 | 26.5 | 35.02 | 33.5 |
22 | 35.00 | 52.24 | 43.13 | 49.24 | 28.4 | 36.94 |
24 | 38.20 | 55.8 | 46 | 52.5 | 41.55 | 40.5 |
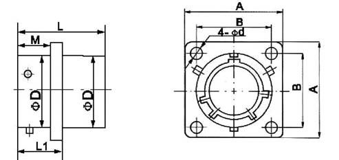
插座外形尺寸(方法兰式)


穿墙座外形尺寸


圆形带电缆罩式插座外形及安装尺寸


方形带电缆罩式插座外形及安装尺寸


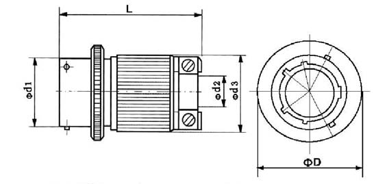
插头外形尺寸接地压紧式电缆尾部附件


夹线板式尾部附件


防波抗拉式尾部附件


弯头护线式尾部附件


弹簧护线式尾部附件


Y50EX系列接点排列(装针绝缘体插合面视图)
| 号 数 | 8 | 12 | 16 | 20 | 22 |
| 插针直径 | 3.6 | 2.4 | 1.6 | 1 | 0.9 |

型号对照表
序号 | 分类特征 | 标志代号 | 分类内容 |
1 | 主称代号 | YL | Y | 圆形电连接器 |
2 | 插头、插座类型 | 10/20 | ZJ(K)10 | 方形法兰安装插座 |
14/24 | ZJ(K)14 | 螺母安装插座 |
16/26 | TJ(K) | 插头 |
18/28 | 无 | 普通插头 |
19/29 | ZS10 | 穿墙法兰安装插座 |
3 | 壳体表面处理方式 | R | X | 黑色阳极化 |
W | X | 军绿色阳极化 |
N | P | 化学镀暗镍 |
Nb | P | 化学镀光亮镍 |
B | P | 电镀镉 |
H | P | 电镀黑镉 |
S | 无 | 不锈钢钝化 |
Y | 无 | 灰色阳极化 |
4 | 接触件类型 | J | J | 插针 |
K | K | 插孔 |
5 | 尾部附件代号 | 01/21 02/22/32 03/23 04/24 05/25 | 6 2 4 5 1 3 | 直式电缆密封式 直式夹线板式 橡胶尾罩密封式 弯式电缆密封式 弯式电缆夹线板式 接地压紧式 简封式 |
6 | 绝缘板安装位置 | W、X、Y、Z | W、X、Y、Z | 主键与辅键相对位置 |