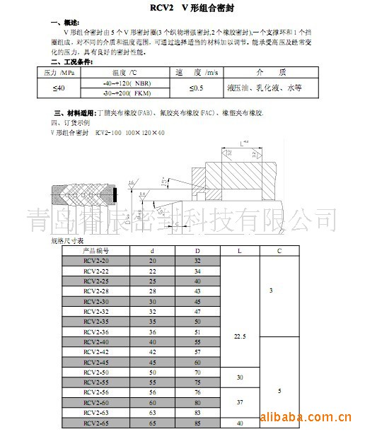
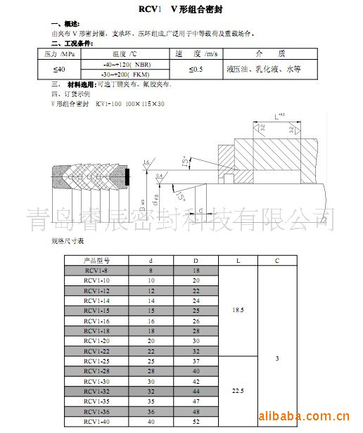
青岛睿辰密封科技有限公司是高压密封件,水压密封件,水泥浆密封件,大尺寸重载密封件、橡胶密封件,油封,夹布酚醛导向环、水压密封件、斯特封、格来圈、导向环、导向带、聚四氟乙烯、油封、超高压密封件、四氟油封、防尘圈等产品专业生产加工的有限责任公司 ,公司总部设在青岛市泰山路35号大创中心1426室,青岛睿辰密封科技有限公司拥有完整、科学的质量管理体系。青岛睿辰密封科技有限公司的诚信、实力和产品质量获得业界的认可。欢迎各界朋友莅临青岛睿辰密封科技有限公司参观、指导和业务洽谈。形加布组合密封圈,具有良好的密封性。耐高压,可以提供NBR、FKM等材料的v形加布组合密封圈。替代进口同类产品。
您对此产品的咨询信息已成功发送给相应的供应商,请注意接听供应商电话。
对不起,您对此产品的咨询信息发送失败,请稍后重新发起咨询。