
一、概述:
Q41F46系列衬氟球阀是为各种强腐蚀性介质管路的启闭控制而设计的,广泛适用于石油、化工、染化、农药、制酸制碱等行业,是目前防腐阀门设备最理想的选择之一。
Q41F46系列衬氟球阀采用氟塑料衬里,壳体采用熔模精密铸造,强度高、外观光洁,与液体接触部分全部为氟塑料,因此可在-50℃~180℃范围内长期使用于任意浓度的腐蚀性管路、管线工作。
二、工作原理:
Q41F46系列衬氟球阀的工作原理是靠旋转阀恋来使阀门畅通或闭塞的,阀恋和阀体内侧全部采用氟塑料制成,其具有开关轻便,体积小,密封可靠,结构简单,维修方便,使用范围广等优点。
三、设计特点:
球阀基本系列为Q41F46型,除具有一般球阀所具有的流体阻力小,启闭速度快,结构简单外,还有以下优点:
1.采用氟塑料衬里层的球阀,具有极高的化学稳定性,可以适用于任何强腐蚀性化学介质;
2.采用全通径、浮动球结构,阀门可在整个压力范围内进行无泄漏关闭,更便于管路系统的通球扫线和管路维护;
3.启闭件球体与阀杆铸(锻)为一体,杜绝了由于压力变化引起阀杆冲击承压件内的可能性,从根本上保证了工程中的使用安全性;
4.结构紧凑合理,阀体内腔空间最小,减小了介质滞留,另外,特殊的模压工艺,使密封面致密度良好,加之人字环形PTFE填料组合,使阀门达到零泄漏;
四、基本参数:
设计规范:遵循GB 12237,API 608,API 6D
驱动方式:手动、蜗轮传动、气动、电动。
公称压力:PN1.0~2.5(MPa)
公称通径:DN15~350mm
五、用途:
本产品是为控制各种强腐蚀性介质的启闭而进行的专业设计,广泛使用于石油、化工、染化、农药、制酸制碱等行业,是目前防腐阀门最理想的选择。
适用温度-20-120
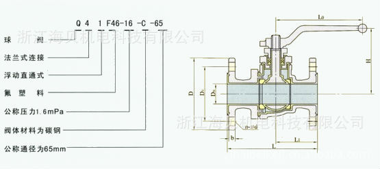
六、产品结构图:



联系?人:朱刘炜
联系电话:15967754925
传真:0570-3010366
网址:www.zjhaibei.com
?