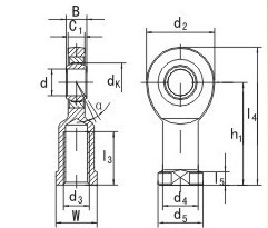
型号 | 尺寸mm |
| d | d3 | B | C1 | L1 | | d2 | L7 | h | L2 | dk | | R1s | a |
| | 6g | | | min | | | | | | | | | ≈ | C | |
GAR6UK | 6 | M6x1.0 | 6 | 4.4 | 18 | | 21 | 12 | 36 | 46.5 | 10 | | 0.3 | 13 |
GAR8UK | 8 | M8x1.25 | 8 | 6 | 22 | | 24 | 14 | 42 | 54 | 13 | | 0.3 | 15 |
GAR10UK | 10 | M10x1.5 | 9 | 7 | 26 | | 29 | 15 | 48 | 62.5 | 16 | | 0.3 | 12 |
GAR12UK | 12 | M12x1.75 | 10 | 8 | 28 | | 34 | 18 | 54 | 71 | 18 | | 0.3 | 11 |
GAR15UK | 15 | M14x2.0 | 12 | 10 | 34 | | 40 | 20 | 64 | 83 | 22 | | 0.3 | 8 |
GAR17UK(2RS) | 17 | M16x2.0 | 14 | 11 | 36 | | 46 | 23 | 69 | 92 | 25 | | 0.3 | 10 |
GAR20UK(2RS) | 20 | M20x1.5 | 16 | 13 | 43 | | 53 | 27 | 78 | 104.5 | 29 | | 0.6 | 9 |
GAR25UK(2RS) | 25 | M24x2.0 | 20 | 17 | 53 | | 64 | 32 | 94 | 126 | 35.5 | | 0.6 | 7 |
GAR30UK(2RS) | 30 | M30x2.0 | 22 | 19 | 65 | | 73 | 37 | 110 | 146.5 | 40.7 | | 0.6 | 6 |
GAR35UK2RS | 35 | M36x3.0 | 25 | 21 | 82 | | 82 | 42 | 140 | 181 | 47 | | 0.6 | 6 |

货物运输:
本公司运输采用物流托运方式,以袋子简装,每袋约40KG-50KG。
发货时间:
发货时间以客户的下货单及我们确认回执为准。
产品质量:
我们产品质量绝对正,如客户不满意,可收到货后7天内退货。我们在收到退货后,3天内退款。退货物流费客户自理。