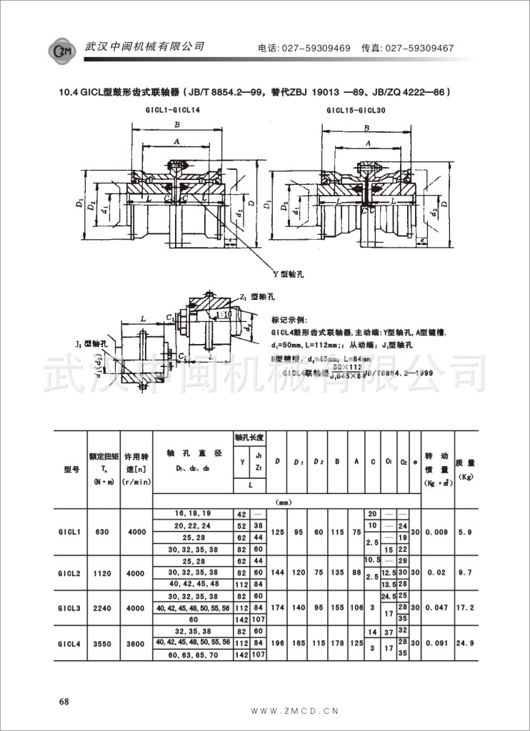
| 齿式联轴器 齿式联轴器是由齿数相同的内齿圈和带外齿的凸缘半联轴器等零件组成。外齿分为直齿和鼓形齿两种齿形,所谓鼓形齿即为将外齿制成球面,球面中心在齿轮轴线上,齿侧间隙较一般齿轮大,鼓形齿联轴器可允许较大的角位移(相对于直齿联轴器),可改善齿的接触条件,提高传递转矩的能力,延长使用寿命。齿式联轴器在工作时,两轴产生相对位移,内外齿的齿面周期性作轴向相对滑动,必然形成齿面磨损和功率损耗,因此齿式联轴器需在良好润滑和密封的状态下工作。 齿式联轴器径向尺寸小,承载能力大,长用于低速重载工况条件的轴系传动,高精度并经动平衡的齿式联轴器可用于高速传动,如染汽轮机的轴系传动。由于鼓形齿式联轴器的角向补偿大于直齿式联轴器,国内外均广泛采用鼓形齿式联轴器。 本公司(武汉中闽机械有限公司)主要生产TGL,NL,CL,CLZ,G1CL,G1CLZ,G2CL,NGCL,NGLZ,G2CLD,GCLD,WGP,WGZ,WGT,WGC,15WG型号的齿式联轴器,也可根据客户需要定制非标齿式联轴器。 |