更多
厂家直供GICLZ11型鼓型齿式联轴器,各种高品质GICLZ型系列联轴器
0台起批
6300
点此议价
产品属性
图文详情
品牌推荐
品牌/型号
中闽/GICLZ11
是否提供加工定制
是否标准件
标准件
联轴器类型
齿式联轴器
样品或现货
现货
是否进口
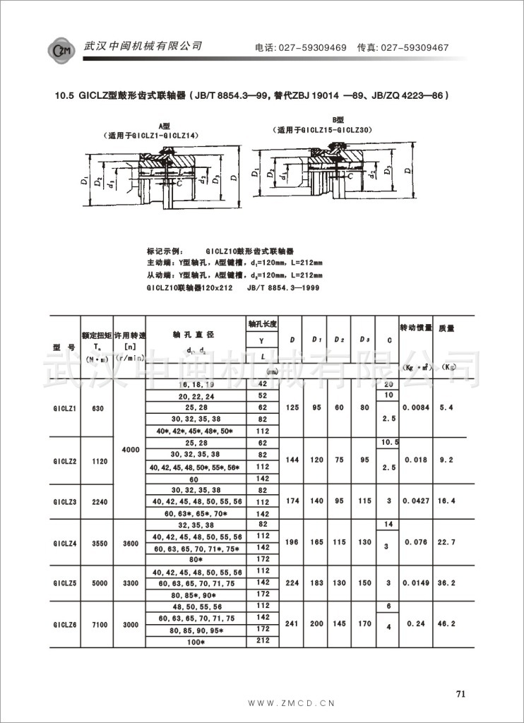
标准编号
GB/T8854.3-99
公称转矩
40000(N.m)N.m
轴孔
100-180*
外形尺寸
380(mm)mm
许用转速
1880(r/m)r/min
五金零部件、配件、备品备件 > 传动件 > 联轴器 >
马可波罗版权所有1999-2020