ES-0.66系列电流互感器,外壳采用阻燃,耐温140℃的聚碳酸脂压注成形,铁芯采用取向冷轧硅钢带卷绕而成,二次导线采用高强度电磁漆包线,产品结构新颖,造型美观,安装方便,体积小,容量大,质量轻。
性能描述
Ⅰ 型电流互感器
特点:方圆形组合安装孔。主要用于单、多根电缆穿越或单根母线穿越,可配合电气测量仪表使用。
技术参数:
执行标准:GB1208-1997(等效IEC44-1:1996)
一次电流:5-3000A 二次电流: 5A、1A
额定电压:≤AC0.66kV 额定频率:50-60Hz
工频耐压:3000V 1min 50Hz (外壳与二次线圈间)
海拔高度:≤3000m
使用环境:-30℃-+60℃,无雨雪直接侵袭、无严重污染及剧烈震动的场所
绝缘等级:E
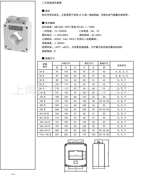
Ⅱ 型电流互感器
特点:卧式方形安装孔。主要适用于多排(2-6根)母线穿越,可配合电气测量仪表使用。
技术参数:
执行标准:GB1208-1997(等效IEC44-1:1996)
一次电流:15-10000A 二次电流: 5A、1A
额定电压:≤AC0.66kV 额定频率:50-60Hz
工频耐压:3000V 1min 50Hz (外壳与二次线圈间)
海拔高度:≤3000m
使用环境:-30℃-+60℃,无雨雪直接侵袭、无严重污染及剧烈震动的场所
绝缘等级:E
应用范围
适用于工厂、煤矿、石化、冶炼、电力、建筑等领域.







