销售热线:18854867678 欢迎来电洽谈订购!

QD型吊钩桥式起重机是采用国际先进标准制造的系列产品。整机结构新颖、造型美观、工艺性好、操作灵活平稳、安全可靠。
主要特点:
(1)桥架采用箱形主梁,自动埋弧焊焊接。
(2)小车导电采用工字钢轨道电缆导电新装置,安全可靠。
(3)起升机构根据要求还可设第二套安全装置。增加可靠性。
(4)零部件标准化、系列化、通用化。
(5)操纵室视野开阔,全部机构均在操纵室内操纵,工作舒适操纵灵活。
本产品广泛适用于普通重物的装卸与搬运,还可配以多种专用吊其进行特殊作业,当露天使用时带有防雨设备。表中数据为室内起重机用,室外起重机总重和轮压约增加5%,起重机按使用繁忙程度分为中级(A5)和重级(A6)两种工作制度。选用时应注明工作制度,工作环境的最高、最低气温及电源种类等技术要求。还可根据用户要求的跨度设计制造。
起重量 | t | 16/3.2 | 20/5 |
跨度 | | 10.5 | 13.5 | 16.5 | 19.5 | 22.5 | 25.5 | 28.5 | 31.5 | 10.5 | 13.5 | 16.5 | 19.5 | 22.5 | 25.5 | 28.5 | 31.5 |
最大起升高度 | 主 | | 16 | 12 |
副 | | 18 | 14 |
速度 | 起升 | 主 | A5 | | 7.9 | 7.5 |
A6 | | 13 | 12.45 |
副 | | 19.7 | 19.5 |
小车运行 | | 44.6 |
大车运行 | A5 | | 84 | 87 | 84 | 87 |
A6 | | 112 | 101 | 112 | 101 |
电动机 | 起升 | 主 | A5 | | YZR225M-8Z/26 |
A6 | | YZR250M1-6/37 | YZR250M1-6/45 |
副 | | YZR160L-6Z/13 | YZR180L-6Z/17 |
小车运行 | | YZR132M2-6/4 |
大车运行 | A5 | | YZR160M1-6/2×6.5 | YZR160M2-6/2×8.5 | YZR160M1-6/2×6.3 | YZR160M2-6/2×8.5 |
A6 | | YZR160M2-6/2×7.5 | YZR160L-6/2×11 | YZR160M2-6/2×7.5 | YZR160L-6/2×11 |
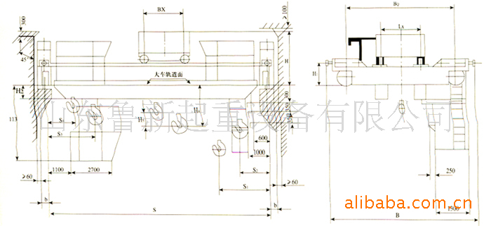
主要尺寸 | H | 1995 | 2085 | 1996 | 2086 |
H1 | 775 | 865 | 775 | 865 |
H2 | 80 | 180 | 240 | 388 | 538 | 688 | 838 | 80 | 82 | 182 | 242 | 390 | 540 | 690 | 840 |
H3 | 2570 | 2550 | 2620 | 2770 | 2750 | 2700 | 3050 | 2570 | 2574 | 2554 | 2642 | 2772 | 2752 | 2902 | 3052 |
H4 | 654 | 652 | 562 | 542 | 452 |
H5 | 725 | 378 |
B | A5 | 5200 | 5310 | 6210 | 5200 | 5310 | 6210 |
A6 | 5600 | 6200 | 5600 | 6200 |
BQ | A5 | 4000 | 4100 | 5000 | 4000 | 4100 | 5000 |
A6 | 4400 | 5000 | 4400 | 5000 |
BX | 2400 |
b | 230 | 260 | 230 | 260 |
LX | 2000 |
S1 | 2310 | 2320 |
S2 | 1500 | 1450 |
S3 | 1850 | 1900 |
S4 | 1040 | 1030 |
重量 | 小车 | A5 | | 6.3 | 6.9 |
A6 | 6.59 | 7.28 |
总重 | A5 | | 19.2 | 21 | 23 | 27 | 30 | 34 | 38 | 41 | 20 | 22 | 24 | 29 | 32 | 37 | 40 | 43 |
A6 | 21 | 23 | 25 | 29 | 32 | 36 | 40 | 44 | 22 | 24 | 27 | 31 | 34 | 39 | 43 | 46 |
最大轮压 | A5 | | 14.6 | 15.5 | 16.3 | 18.8 | 19.3 | 20.5 | 21.4 | 22.3 | 16.5 | 17.6 | 18.5 | 20.7 | 21.6 | 23 | 23.9 | 24.9 |
A6 | 15.5 | 16.4 | 17.3 | 19.4 | 20.3 | 21.4 | 22.3 | 23.2 | 17.7 | 18.8 | 19.9 | 22.1 | 23.3 | 24.3 | 25.5 | 26.5 |
荐用钢轨 | | 38kg/m QU70 |
电源 | | 三相交流380V 50HZ |