
机 座 号:H355~560mm
功率范围:160kW~1600kW
极 数:2~8
额定电压:3000V、6000V、10000V
隔爆等级:ExdⅡAT4、ExdⅡBT4、ExdeⅡAT4、 ExdeⅡBT4
绝缘等级:F级
防护等级:IP54
安装方式:IMB3
冷却方式:IC411
工 作 制:S1
用途:在爆炸性气体环境中,用于拖动风机、压缩机、水泵及其它通用机械设备。广泛应用于石油、化工、钢铁、煤炭等行业。
1.1、YZR、YZ系列是最新设计的电动机,具有过载能力大和机械强度高的特点,特别适用于驱动各种类型的冶金
及起重机械或其它类似设备。YZR系列为绕线转子电动机、YZ系列为笼型电动机。
1.2、电动机能在下列环境条件下正常运行:
(1)冷却介质温度不超过60℃(冶金用电动机)或40℃(起重用电动机)。
(2)海拔不超过1000米。
(3)经常的、显著的机械振动和冲击。
1.3、电动机在下述负载条件下能正常工作
(1)经常的起动与逆转
(2)经常的电气或机械制动
1.4、电动机的额定频率为50赫,额定电压为380伏
1.5、接法:功率为132千瓦和小于132千瓦的定子绕
组用Y接法,其余的用△接法
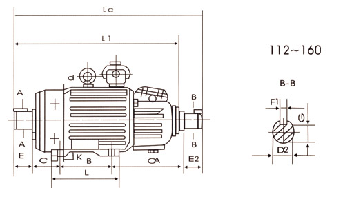
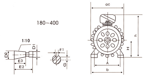
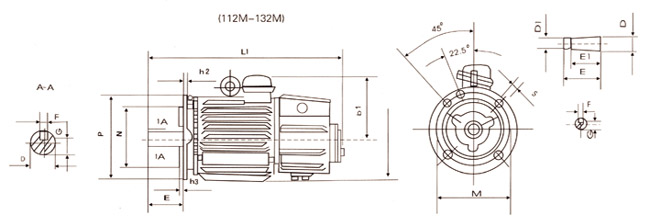
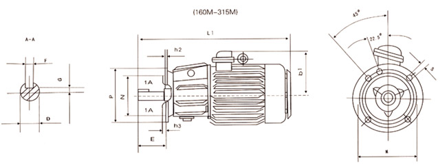
1.6、型号说明
1.7、输出功率和转速
基准工作制(S340%)时的额定输出功率和同步转速见表1(笼型电动机制造粗线框内的规格)
1.8、基准工作制时,YZR系列电动机在额定电压下的最大转矩对额定转矩之比的保证值见表2
1.9、基准工作制时,YZ系列电动机在额定电压下的最大转矩和堵转转矩对额定转矩之比的保证值见表3
电动机的工作方式及技术数据:
2.1 电动机的额定电压为380V,额定频率为50HZ。
2.2 电动机适用于断续周期性负荷,根据负荷的不同性质,电动机的工作制分为:
2.2.1 断续周期性工作制(S3):是一系列相同的工作周期,每一周期包括一段恒定负载运转的时间和一段停止并断能的时间
(见图1),在这种类型中,每一周期的起动电流应对电动机的温升无明显的影响;每10分钟为一工作周期,即每小时起动六次。
2.2.2 带起动的断续周期性工作制(S4):是一系列相同的工作周期,每一周期包括一段起动时间,一段恒定负载运转的时间和一
段停止并断能时间(见图2);每小时起动次数分为150、300及600次。
2.2.3 带电制动的断续同期性工作制(S5):是一系列相同的工作周期,每一周期由一段起动时间,一段恒定负载运转时间,一段
快速电制动时间和一段停止并断能时间所组成(见图3)。
2.3 选用电动机时,各种起动及制动状态均需按等效发热折算成每小时等效全起动次数。以该等效全起动次数确定电动机的定额。
折算典型例子见表4。
折算的方法:
点动(最终速度不超过额定转速的25%)四次相当于一次全起动:电制动(制动到额定转速的1/3)一次相当于0.8次全起动。
2.4 电动机的基准工作方式为S3-40%,各工作制下电动机的技术数据见表5。电动机名牌数据一般按基准工作制供给,如用户有
特殊要求则按用户要求供给数据。当电机需要按S2~S5工作制之外的方式运行时,需与制造厂协商。



电动机的工作方式及技术数据点击查看


服务不仅仅是搬运和维护
更多的是为客户操心,为客户着想
售后服务的宗旨:
公司本着实现顾客满意度最大化的原则,在国内各大城市设立营销服务机构,向顾客提供快捷、完善的售前、售中、售后服务。
一、在保质期内如有质量问题,本公司均按规定实行“三包”服务。
二、在接到用户关于产品质量问题通知后,立即派出售后维修人员进行处理。
三、出厂合格率:100%;
四、根据用户要求,协助安装调试,主动做好售前、售后服务工作。将管理软件安装到各营业所,并对营业所的操作人员进行软件使用培训;对产品维护管理人员进行产品知识培训。
五、定期进行产品使用普查,防患于未然。
山东鲁成起重机械有限公司主营LD型电动单梁桥式起重机,LDy型冶金电动单梁起重机,LX型电动单梁悬挂起重机,LXG型电动悬挂过轨起重机,BLD型防爆单梁桥式起重机,LH型葫芦双梁桥式起重机,LHB型防爆梁式起重机,LB型防爆梁式起重机,LXB型防爆梁式起重机,QD型电动双梁桥式起重机,QE型双小车桥式起重机,QZ型电动双梁抓斗桥式起重机,QC型电磁桥式起重机,QB型防爆桥式起重机,QL型电磁挂梁起重机,BZ型定柱悬臂起重机,BMH型电动葫芦半门式起重机,ML型电动葫芦门式起重机,MH型电动葫芦门式起重机,Mh型电动葫芦门式起重机,YZ型冶金铸造起重机,YD型锻造起重机,MDG型单主梁门式起重机,MZ型通用抓斗门式起重机,MG型双主梁门式起重机,MU型造船门式起重机,BZ型柱式悬臂起重机,HC型钢丝绳电动葫芦CD1型钢丝绳电动葫芦,MD1型电动葫芦,BCD型防暴钢丝绳电动葫芦,YCD型冶金电动葫芦,HS型手拉葫芦,HD型单极安全滑线,单轨运行跑车,起重机控制屏,联动台,电阻器,钢丝绳,起重量限制器,起重机遥控器,车轮组,滑轮组,吊钩组,液压制动器,台湾禹鼎遥控器、锥形起重电机,滑环调速起重电机等产品。
公司于1997年通过兼并控股重组的形式,经山东省工商行政管理局注册成立集团公司,集团下设三个控股子公司,实现了多种产品并存,多元化发展,抵御风险较强的集团公司。
集团公司以起重机械制造为主业,集天时地利人和于一体,凭借科学的管理体系,便利的运输条件,较强的生产能力,先进的检测手段,强大的销售网络等优势,于2002年建设并投产,几年来公司始终坚持以“技术创新.诚信经营.客户满意”为宗旨,已经发展成为国内专业生产桥式.门式起重机的制造企业。2003年公司取得国家质检总局颁发的A级制造许可证,目前公司已经获得国家质检总局生产许可的,起重系列产品达35个型号之多。2009年通过换证增项,公司又取得了A级门座式起重机的安装维修资质,为公司在港口码头开展业务奠定了基础。
公司现占地面积42000平方米,其中生产车间10000平方米,室外大型门吊作业现场20000平方米,拥有固定资本资产5000余万元,年产值过亿元,利税近千万元,现有职工人数977人,其中专业技术人才97人,拥有一支能独立进行产品的开发设计队伍。公司还拥有强大专业铆焊.机械加工.抛丸除锈.开矫平机等重大关键设备及检测设备160多台套,并拥有大型的数控下料线.自动埋弧焊生产线。CO2气体自动焊接线等多条生产线,使得公司制造的产品质量,得到了强有力的保证。
公司以“管理过程精细化.生产制造精益化.产品质量精品化.人才使用精干化”为经营理念,不断提升对顾客的服务能力,同时拥有一支高素质的安装调试和售后服务专业队伍,实现对顾客所需产品从设计制造.出厂监检.运输安装.维修保养等全过程跟踪服务,公司已于2004年顺利通过了ISO9001体系认证,近几年公司连续被评为省级“重合同守信用企业”“文明诚信民营企业” “青年文明号”等多项殊荣。
公司始终坚持“说到的必须做到,做到的必须做好”的方针,几年来,赢得广大新老客户的信赖。现公司生产的"鲁新"牌起重系列产品,广泛应用在矿山.冶金.仓储.码头.石化.机制等十几个行业,产品畅销国内外30个省市.并远销到东南亚地区。起重路漫漫其修远兮,鲁成人将努力开拓.
公司总经理携全体员工热烈欢迎新老客户来鲁成集团考察合作,利益双赢,共创伟业!
售后服务宗旨:
公司本着实现顾客满意度最大化的原则,在国内各大城市设立营销服务机构,向顾客提供快捷、完善的售前、售中、售后服务。
一、在保质期内如有质量问题,本公司均按规定实行“三包”服务。
二、在接到用户关于产品质量问题通知后,立即派出售后维修人员进行处理。
三、出厂合格率:100%;
四、根据用户要求,协助安装调试,主动做好售前、售后服务工作。将管理软件安装到各营业所,并对营业所的操作人员进行软件使用培训;对产品维护管理人员进行产品知识培训。
五、定期进行产品使用普查,防患于未然。