825厂 Y16系列圆形电 航空插头 航空插头 接插件 圆形电连接器
芯数
04,05,12,14,16,30,38,48
针数
04,05,12,14,16,30,38,48
| Y16系列圆形电连接器 |

|
●中心螺杆连接,使用方便,锁紧可靠 ●规格齐全 ●具有防雨、防尘、防盐雾等功能 ●并有防误插机构 适用范围 Y16系列圆形电连接器广泛应用于各种电器设备之间的电路连接。 使用环境条件 工作温度 -55℃~125℃ 相对湿度 40±2℃时相对湿度92%~98% 工作气压 101.33kPa~6.67Pa 正弦振动 10~2000Hz 加速度196 m/s2 冲 击 加速度980 m/s2 碰 撞 加速度392 m/s2` 淋 雨 降雨量5mm/min 机械寿命 1000次(普通) 500次(Y16N) 主要技术特性 接触件特性 插针直径(A) | 1 | 1.3 | 1.5 | 2.5 | 3 | 3.5 | 5 | 工作电流(A) | 5 | 7 | 10 | 25 | 30 | 60 | 75 | 接触电阻(mΩ) | ≤5 | ≤4 | ≤3 | ≤1 | ≤1 | ≤1 | ≤1 | ≤10* | ≤3* |
注:*为铁合金接触的接触电阻 绝缘电阻 标准大气条件 | 湿热条件 | 高温条件 | ≥1000MΩ | ≥20MΩ | ≥500MΩ |
耐电压 标准大气条件 | AC 1500Vrms | 高温条件 | AC 1500Vrms | 低气压条件 | AC 150Vrms | 湿热条件 | AC 500Vrms |
密封性 普通插座不小于98kPa 玻璃封结插座泄漏率不大于1×10-5Pa·L/s 型号标志 代号 | Y | 16 | P | - | 24 | 30 | Z | J | 10 | 序号 | ① | ② | ③ | | ④ | ⑤ | ⑥ | ⑦ | ⑧ |
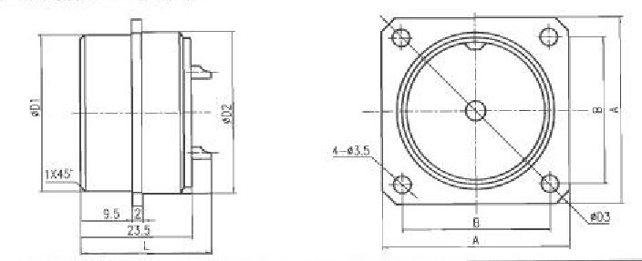
① 圆形电连接器 ② 设计序号 ③ 类别:P-薄壳体,H-厚壳体,E-玻璃封接,N-屏蔽类 ④ 壳体号:18、24、30 ⑤ 芯数:04,05,12,14,16,30,38,48 ⑥ 电连接器类别:T-插头,Z-插座 ⑦ 接触件类型:J-插针,K-插孔,S-穿墙式插针孔 ⑧ 插座安装方式:10-方形法兰盘式,13-方形法兰盘穿墙式,14-螺母并紧式 注:③-N屏蔽类目前仅有24#壳体有,其余壳体暂无。 外形及安装尺寸 插头(N类除外)  壳体号 | 规格 | L3 | L4 | D1 | L1 | L2 | D2(出线口直径) | P | H | P | H | P | H | 18 | 1804 1805 1812 | 33 | 38 | 22 | 69.5 | 42 | 48.5 | 12 | 12.5 | 24 | 2404 2414 2430 2438 2448 | 39.5 | 48 | 38 | 71.5 | 48.5 | 55 | 18 | 22 | 39.5 | 46 | 2416 2416I | 46 | 66.5 | 77.5 | 55 | 75.5 | 22 | 23.5 | 30 | 3030 3048 | 66.5 | 51 | 41 | 75.5 | - | 75.5 | - | 26.5 |
螺母并紧式插座(N类除外) 
壳体号 | 规格 | L | D1 | M | A | 18 | 1804 1805 | 28 | 33 | M32×1.5 | 30-0.13 | 1812 | 26.5 | 24 | 2404 2414 2430 2438 2448 | 26.5 | 43 | M42×1.5 | 40-0.16 |
方形法兰盘式插座(N类除外) 
壳体号 | 规格 | D1 | D2 | L | A | B±0.125 | 18 | 1804 1805 | 32 | 33 | 28 | 38 | 30 | 1812 | 26.5 | 24 | 2404 | 42 | 43 | 26.5 | 47 | 38 | 2404I | 2414 | 2416 | 29 | 2416I | 28 | 2430 | 26.5 | 30 | 3030 | 45 | 46 | 26.5 | 52 | 41 | 3048 | 28 |
24号壳体方形法兰盘穿墙式插座 
类别 | L1 | L2 | Y16-24号壳体 | 3 | 35 | Y16N-24号壳体 | 4 | 37 |
接触件孔位排列(插针插合面正视图) 
附件 螺孔防护盖组件 
组件号 | 适用规格 | Y16-1800-113 | Y16-18XXTJ | Y16-18XXZJ | Y16-2400-113 | Y16-24XXTJ | Y16-24XXZJ | Y16-3000-113 | Y16-30XXTJ | Y16-30XXZJ |
螺杆防护盖组件 
组件号 | 适用规格 | Y16-1800-114 | Y16-18XXTK | Y16-18XXZK | Y16-2400-114 | Y16-24XXTK | Y16-24XXZK | Y16-3000-114 | Y16-30XXTK | Y16-30XXTK |
螺孔后盖板组件 
组件号 | 适用规格 | Y16-1800-115 | Y16P-1804TK | Y16P-1805TK | Y16P-1812TK | Y16-2400-115 | Y16P-2404TK | Y16P-2414TK | Y16P-2430TK | Y16P-2438TK | Y16P-2448TK | Y16-1800-117 | Y16H-1804TK | Y16H-1805TK | Y16H-1812TK | Y16-2400-117 | Y16H-2404TK | Y16H-2414TK | Y16H-2430TK | Y16H-2438TK | Y16H-2448TK | Y16P-2416TK | Y16P-2416ITK | Y16-3000-117 | Y16H-3030TK | Y16H-3048TK | Y16-2400-119 | Y16H-2416TK | Y16H-2416ITK |
螺杆后盖板组件 
组件号 | 适用规格 | Y16-1800-116 | Y16P-1804TJ | Y16P-1805TJ | Y16P-1812TJ | Y16-2400-116 | Y16P-2404TJ | Y16P-2414TJ | Y16P-2430TJ | Y16P-2438TJ | Y16P-2448TJ | Y16-1800-118 | Y16H-1804TJ | Y16H-1805TJ | Y16H-1812TJ | Y16-2400-118 | Y16H-2404TJ | Y16H-2414TJ | Y16H-2430TJ | Y16H-2438TJ | Y16H-2448TJ | Y16P-2416TJ | Y16P-2416ITJ | Y16-3000-118 | Y16H-3030TJ | Y16H-3048TJ | Y16-2400-120 | Y16H-2416TJ | Y16H-2416ITJ |
执行标准 Q/Ag1.026-2000《Y16系列螺纹式圆形电连接器详细规范》 Q/Ag1.026.1-2002《Y16-3030/3048圆形密封电连接器详细规范》 Q/Ag1.081-90《Y16N电磁屏蔽圆形电连接器技术条件》 |