直销离心风机 排烟离心风机 高温排烟风机 消防离心风机 输送机
| 详细说明 |
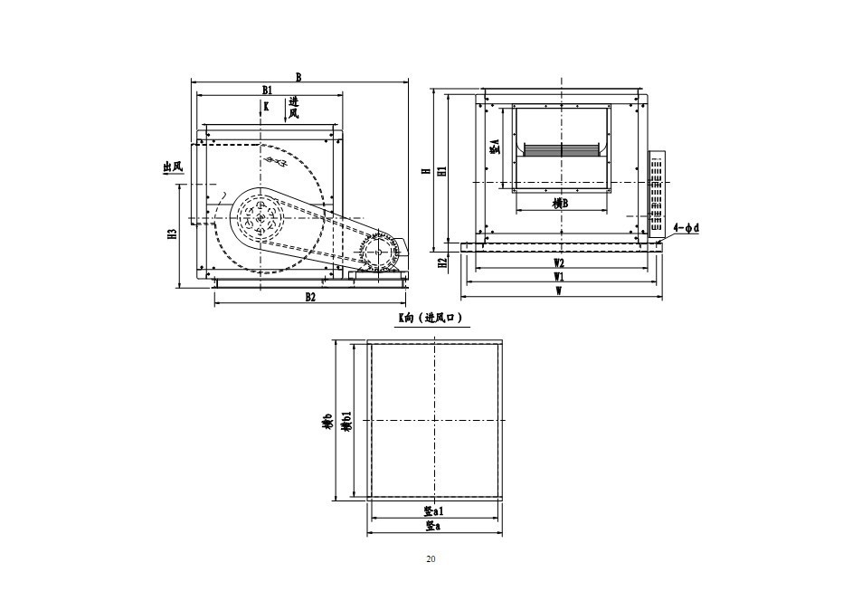
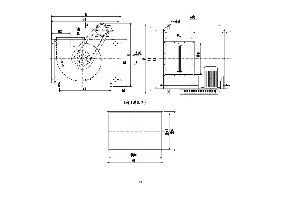
HTFC 系列消防排烟低噪声柜式离心风机是我公司吸取国 内各厂风柜之长处,结合我公司多年来风柜之进行研制与改良, 以精湛的先进技术与丰富的经检设计制造而成,本公司技术部 开发设计的最新产品,经国家固定灭火系统和耐火构件质量监 督检验中心检验合格(检验报告编号 2003-1860) ,符合 GB/T13275-91;GA211-1999 的国家标准规定,吸取了国内外先进设计方法及油量的机械结构,具有 体积小、重量轻,效率高和便于安装维护等特点,在介质温度为 280温度高温下经 30 分钟试验,运 转正常,符合 GB50045《高层民用建筑设计防火规范》规定。 HTFC 系列风机有 90 、100 、120 、150 、180 、200 、220 、250 、280 、300 、330 、360 共 12 种机号,分Ⅰ 型(单速常压型)、Ⅱ型(双速常压型)两类供客户选择。 二、结构特点 风机箱体采用优质型材,其中豪华型为双层设计,中间夹层装消音防火保温材料,电机均为外 接式传动(作为高温消防排烟使用);普通型为单层设计,不加消音防火保温材料,电机可内置或外 接传动(作为常温通风换气使用)。箱板有镀锌板和普通钢板烤漆处理两种,色泽鲜艳,附着力强, 经久耐用,不褪色。 风轮及蜗壳皆采用优质材料精制而成,风轮经动平衡校正,质量保证。轴承采用优质国产或进 口轴承。电机转子经高精度动平衡试验,确保运行稳定,安全可靠。 三、用 途 适用于宾馆、写字楼、影剧院、商场、地下室高温消防和通风换气之用,也可以作高层建筑及 民用建筑的中央空调机组风机段主机。除此之外还可以作为一般工厂通风排气之用。 |