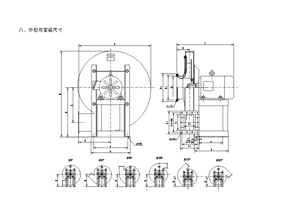
B9-19防爆离心风机 高压离心风机 防爆风机 矿用风机 Zmkj006 B9-19型防爆高压离心风机,高压离心风机,离心风机,9-19高压离心风机,矿用离心风机,防爆风机,9-19风机,供应风机,矿用风机销售电话:158 9878 2560 风机的用途B9-19型防爆高压离心风机,一般用于锻冶炉,矿山及高压强制通风,亦可广泛用于输送物料、爆炸性及无腐蚀性、不自燃、不含粘性物质之气体。介质温度一般不超过50℃(最高不超过80℃),介质中尘土及硬质颗粒物含量不大于150㎎/m³。 风机的型式本风机为单吸入式,通常有№4、4.5、5、5.6、6.3、7.1、8、9、10、11.2、12.5、14、16共13个机号。本风机通常制成右旋和左旋两种型式,从电机一端正视,叶轮顺时针旋转者称右旋风机,以“右”表示;逆时针旋转者称左旋风机,以“左”表示。风机的出口位置以机壳的出口角度表示。“左”、“右”均可制成0°、45°、90°、135°、180°、225°共六种角度。风机的传动方式分为A式(№4~6.3)、D式和C式(№7.1~16)三种。当上述机号、旋向、出风角度和传动方式不能满足您的需要时,我们有能力为您点菜设计,直至您满意为止。 风机的结构№4~6.3主要由叶轮、机壳、进风口、支架等组成;№7.1~16主要由叶轮、机壳、进风口、传动组等组成。叶轮:风机叶片为12片,风机叶片为16片。均属前向弯曲型。叶轮扩压器外缘最高圆周线速度不得超过140m/s。叶轮成型后经静、动平衡校正和超速运转实验,故运转平稳。机壳:用普通钢板焊接成蜗壳形整体。进风口:做成收敛式流型整体结构,用螺栓固定于前盖板上。传动组:由主轴、轴承箱、联轴器等组成。主轴由优质钢制成,轴承箱整体结构,采用滚动轴承,用轴承润滑脂润滑。
您对此产品的咨询信息已成功发送给相应的供应商,请注意接听供应商电话。
对不起,您对此产品的咨询信息发送失败,请稍后重新发起咨询。