



液压气动事业部简介:
上海昊优机电设备有限公司是一家专门从事国际品牌产品销售和技术服务的公司。在长期的商务活动中,公司与众多国外厂商建立了良好的合作关系,为满足国内客户在项目选型、产品设计和制造过程中提出的各种特殊、疑难备件需求做出了大量的、卓有成效的工作,为国内外需求者和供给者之间架设了一座畅通的合作之桥、友谊之桥。
公司主营温度压力仪表,安全报警装置,泵阀流体控制,气动液压传动,工业自动化控制元件等方面系列产品,满足了工业自动化机械及过程控制的要求,产品涵盖了电力、石油、化工、钢铁、有色冶金、烟草、纺织、造纸、汽车、船舶、生物制药、污水处理等诸多行业,公司从产品的选型,安装,调试到售后服务,都深得用户的信赖,经验丰富的销售工程师及众多长期供货厂商是我们提供优质可靠和具有价值竞争产品的有效保证。
经营产品类别:
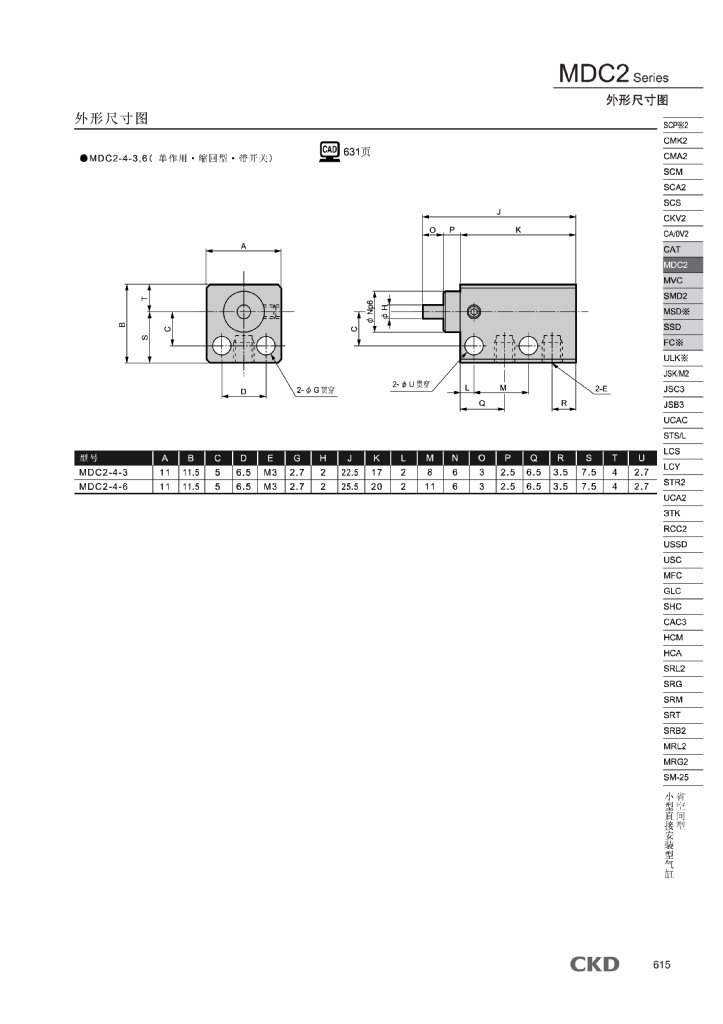
1.CKD产品系列:气源处理元件、方向控制阀、执行元件、空气组合元件、真空元件、管子及接头;
2.SMC产品系列:SMC气源处理元件、SMC方向控制阀、SMC执行元件、SMC空气组合元件、SMC真空元件、SMC管子及接头;
3.TPC产品系列
4.PMC产品系列
5.SHAKO产品系列
事业部经营理念:
充分了解客户需求,为客户提供全方位的液压气动解决方案与完善的售后服务。
我们用心-------让你放心!
上海昊优机电设备有限公司
联络人:冯 斌 Mobile: 189-1715-4106 商务QQ:1738615094 旺旺ID:jixingongkong
地址:上海市嘉定区清河路375号211室
Tel:(021) 3919-6109 Fax:(021) 3919-9389
E-mail:shanghaihaoyou@hotmail.com