更多
led蜡烛灯cob面光源 0.5W
96台起批
0.30
点此议价
产品属性
图文详情
品牌推荐
品牌/型号
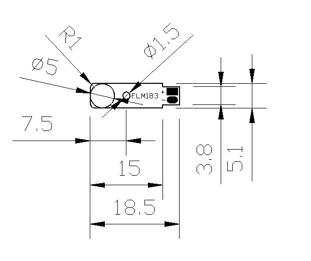
宝光/FLM183-0.5W
颜色
白色
胶体品牌
道康宁
金线材料
金线
种类
发光二极管
加工定制
形状
方片
封装形式
COB型
型号
FLM183-0.5W
芯片品牌
新世纪
适用范围
道路照明,室内照明,景观灯饰,工业照明,特种照明
品牌
宝光
电子元器件 > 显示器件 > LED系列产品 >
马可波罗版权所有1999-2020