
F11100A型万能分度头是铣床上的主要附件之一,利用分度刻度环和游标,定位销和分度盘以及交换齿轮,能将装卡在顶尖间或卡盘上的工件分成任意角度,可将圆周分成任意等份,辅助机床利用各种不同形状的刀具进行各种沟槽﹑正齿轮﹑螺旋正齿轮﹑阿基米德螺线凸轮等的加工工作。该产品还备有圆工作台,工件可直接紧固在工作台上,也可利用装在工作台上的夹具紧固,完成工件多方位加工。
F11100A万能分度头 |
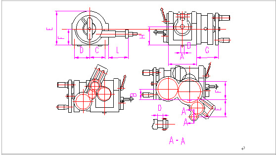
| 安装图及尺寸: | A | B | C | D | E | F | G | H | L | M | N | O | P | 162 | 14 | 102 | 87 | 186 | 95 | 116 | 100 | 93 | 54.7 | 30 | 100 | 100 |
| 
|
|
主要参数: |
序号 | 项 目 | F11100A | 1 | 中心高(mm) | 100 | 2 | 主轴法兰定位短锥直径(mm) | Φ41.275 | 3 | 定位键宽度(mm) | 14 | 4 | 主轴下倾角度(°) | 0~5 | 5 | 主轴上倾角度(°) | 0~95 | 6 | 传动比 | 40:1 | 7 | 主轴孔锥度 | 莫氏3 | 8 | 手轮游标分化示值(") | 10" | 9 | 净重(Kg) | 67 | 10 | 毛重(Kg) | 79 | 11 | 箱体尺寸(mm) | 616×465×265 | 12 | 最大承载(Kg) | 100 |
|
主要规格和参数:
型号 | F11100A |
中心高 | 100 |
主轴由水平位置向上转动的角度 | ≤95° |
主轴由水平位置向下转动的角度 | ≤5° |
分度手轮每转,主轴回转角度 | 9°(540 grad.,1’ each) |
游标最小示值 | 10” |
蜗杆副传动比 | 1:40 |
主轴孔锥度(莫氏) | MT3 |
定位键宽度 | 14 |
主轴法兰盘定位短锥直径 | Φ41.275 |
分度盘孔数 | 第一面 | 24,25,28,30,34,37,38,39,41,42,43 |
第二面 | 46,47,49,51,53,54,57,58,59,62,66 |
变换齿轮 | 模数 | 1.5 |
齿数 | 25,30,35,40,50,55,60,70,80,90,100 |
分度手柄一整转主轴单个分度误差 | 45” |
主轴在任意1/4圆周上的累积误差 | ±1’ |
最大承载 | 100 |
净重 | (63)67 |
毛重 | (75)79 |
箱体尺寸 | 616X465X265 |