CJ20系列交流接触器主要用于交流50HZ,额定电压至660V或1140V,电流至630A的电力系统中接通和分断线路之用,并适用于频繁地起动及控制交流电动机。
标准
符合GB14048.4 IE947-4-1
正常工作条件
海拔不起过2000m; 周围空气相对温度在最高温度为+40℃时不起过50%;在较低的温度下可允许有较高相对湿度;最湿月的平均最低温度不超过+25℃,平均最大相对湿度不超过90%,由于温度变化在产品上发生凝露的情况必须采取措施; 安装地点的污染等级为3级;
安装类别(过电压)为III类;
型号 | CJ20- | 10 | 16 | 25 | 40 | 63 | 100 | 160 | 160/11 | 250 | 250/06 | 400 | 630 | | 约定发热电流(Lth) A | 10 | 16 | 32 | 55 | 80 | 125 | 200 | 200 | 315 | 315 | 400 | 630 | | 额定绝缘电压(Ui) V | 690 | 690 | 690 | 690 | 690 | 690 | 690 | 1140 | 690 | 690 | 690 | 690 | AC-1 额定工作电流(le)A | 220V | 10 | 16 | 32 | 55 | 80 | 125 | 200 | | 315 | | 400 | 630 | | 380V | 10 | 16 | 32 | 55 | 80 | 125 | 200 | | 315 | | 400 | 630 | | 660V | 10 | 16 | 32 | 55 | 80 | 125 | 200 | | | 200 | 250 | 400 | | 1140V | | | | | | | | 200 | | | | | | AC-2、AC-3* 额定工作电流(le) A | 220V | 10 | 16 | 25 | 40 | 63 | 100 | 160 | | 250 | | 400 | 630 | | 380V | 10 | 16 | 25 | 40 | 63 | 100 | 160 | | 250 | | 400 | 630 | | 660V | 5.2 | 13 | 14.5 | 25 | 40 | 63 | 100 | | | 200 | 250 | 400 | | 1140V | | | | | | | | 80 | | | | | | AC-4 额定工作电流(le) A | 220V | 10 | 16 | 25 | 40 | 63 | 100 | 160 | | 250 | | 400 | 500 | | 380V | 10 | 16 | 25 | 40 | 63 | 100 | 160 | | 250 | | 400 | 500 | | 660V | 5.2 | 13 | 14.5 | 25 | 40 | 63 | 80 | | | 160 | 200 | 320 | | 1140V | | | | | | | | 80 | | | | | | AC-3 额定工作功率(Pe) KW | 220V | 2.2 | 4.5 | 5.5 | 11 | 18 | 28 | 48 | | 80 | | 115 | 175 | | 380V | 2.2 | 7.5 | 11 | 22 | 30 | 50 | 85 | | 132 | | 200 | 300 | | 660V | 4 | 11 | 13 | 22 | 35 | 50 | 85 | | | 190 | 220 | 350 | | 1140V | | | | | | | | 85 | | | | | | 主触头接通/分断能力 | 12le/10le | | AC-3主触头电寿命 万次 | 100 | 100 | 100 | 100 | 120 | 120 | 120 | | 60 | | 60 | 60 | | AC-4主触头电寿命 万次 | 380V | 4 | 4 | 4 | 4 | 4 | 3 | 1.5 | | 1 | | | 0.64 | | 660V | 4 | 4 | 4 | 1 | 1 | 1 | 1 | | | 1 | | | | 1140V | | | | | | | | 1 | | | | | | 线圈起动容量 VA | 65 | 62 | 93.1 | 175 | 480 | 570 | 855 | 1070 | 1710 | | 1976 | 3578 | | 线圈吸持容量 VA | 8.3 | 8.5 | 13.9 | 19 | 57 | 61 | 82 | 115 | 152 | | 190 | 250 | | 380V时配合RT16熔断器型号 | 20 | 32 | 50 | 80 | 160 | 250 | 315 | | 400 | | 500 | 630 |
|
规格 | AC- | AC-2 | AC-3 | AC-4 | 380V | 660V | 1140V | 380V | 660V | 1140V | 380V | 660V | 1140V | 380V | 660V | 1140V | | CJ20-10-CJ20-40 | 1200 | 1200 | | | | | 1200 | 600 | | 300 | 120 | | | CJ20-63-CJ20-160 | 1200 | 1200 | 1200 | 300 | 120 | 120 | 1200 | 600 | 300 | 300 | 120 | 30 | | CJ20-250-CJ20-630 | 600 | 600 | 600 | 300 | 120 | 120 | 600 | 300 | 120 | 30 | 30 | 30 |
|
约定发热电流 (lth)A | 额定绝缘电压 (Ui)V | 额定工作电压(Ue)V/额定工作电流(le)A | 额定控制容量 | 触类种类与数量 | 配用的产品等级 | 交流 | 直流 | 交流VA | 直流W | 10 | 690 | 36/2.8 | - | 100 | 30 | 2 常开 2 常闭 | CJ20-10-14 | 127/0.8 | 48/0.63 | 220/0.45 | 110/0.27 | 380/0.26 | 220/0.14 | 36/8.5 | - | 300 | 60 | * 常开 | 4 | 3 | 2 | CJ20-63-630 | 127/2.4 | 48/1.3 | 220/1.4 | 110/0.6 | 380/0.8 | 220/0.27 | 36/14.0 | - | 500 | 60 | 常闭 | 2 | 3 | 4 | 127/4.0 | 48/1.3 | 220/2.3 | 110/0.6 | 380/1.3 | 220/0.27 |
|
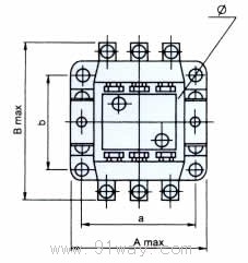
| 型号 | A | B | C | a | b | F | Φ | e | | CJ20-10 | 44.5 | 67.5 | 107 | 35±0.31 | 55±0.37 | 10 | 2-5 | 6 | | CJ20-16 | 73 | 116.5 | 60±0.37 | 5 | | CJ20-25 | 53 | 91 | 122 | 40±0.31 | 80±0.37 | 5 | | CJ20-40 | 87 | 112.5 | 125 | 70±0.37 | 80±0.37 | 30 | 6 | | CJ20-63 | 116 | 142 | 146 | 100±0.4 | 90±0.4 | 60 | 4-5.8 | | | CJ20-100 | 122 | 147 | 154 | 108±0.435 | 92±0.435 | 70 | 4-7 | | CJ20-160 | 146 | 187 | 178 | 130±0.5 | 130±0.5 | 80 | 4-9 | | CJ20-160/11 | 197 | 190 | | CJ20-250 | 190 | 235 | 230 | 160±0.5 | 150±0.5 | 100 | | CJ20-250/06 | | CJ20-400 | 110 | | CJ20-630 | 242 | 294 | 287 | 210±0.5 | 180±0.5 | 1200 | 4-11 |
|