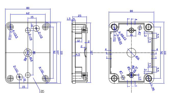
一,产品的性能及用途: 1.用途:防水接线盒 分线箱主要适用于室内、室外电气、通信、消防设备、钢铁冶炼, 石 油化工,电子、电力,铁路,建筑工地,矿山,采矿场,机场,宾馆,船舶、大型工厂、 沿海工厂、卸货码头设备、污废水处理设施、环境公害设施等。 2.材质:选用台湾进口的新料,优质的热塑性塑料ABS或(PC)聚碳酸酯,或者可以按客户的要求来先择材料,可订做阻燃料,防紫外线材料,上盖有透明与不透明两种形式(材料 无腐蚀性,防静电,绝缘性佳) 3.箱体厚度:盒体最薄处平均厚度3mm,重要部位厚度加强(不会变形),冲击强度IK07(压不碎) ;阻燃等级V0.(耐高度烤,长时间使用不退色),轻便(按装方便,也可随 意移动位置)。 4.防水性能:超强防水,防护等级达到IP66以上,即使在作业的时候下起大雨也是不会进水的,非常安全。 5.认证:产品通过CE认证,材料可以做(环保、阻燃,UL材料等认证),防水等级IP66认证检测通过。 6.按装方式:1.内部按装—盒子内部有供线路板或DIN轨道元件安装的凸台,及自带的铜接线螺母(每只防水盒内部都配有最少二个以上的很常规的M4的铜螺母)2.外部按装--可通过盒体低部的安装孔直接固定于墙面(可通过盒子的四个角,直接用螺丝或钉子固定在墙上或板子上。) 7.进出线孔:防水盒可以随意跟据客户的使用要求在上面开孔,(开孔位置及开孔大小都可以按照客户指定要求加工。)开孔后可以装有配套的防水夹紧接头,达到防水最佳效果。(详细步骤请参考下面的图片) 8.防水盒的使用寿命常规的材料跟据使用环境不同一般会在5年左右,如果材料有添加阻燃剂和防老化剂[抗氧化剂寿命可达到10年以上。热变形温度:-40~~85度。 |