不锈钢法兰针型截止阀J43W/H-16~320P
J43W/H法兰针型阀:是仪表测量管路系统中重要组成部分,主要有截止阀和球阀,其功用是作开启或切断管道通路用。针型阀具有安装拆卸方便、连接紧固、有利于防火、防爆和耐压能力高、密封性能良好等优点,是电站、炼油、化工装置和仪表测量管路中的一种先进连接方式的阀门。
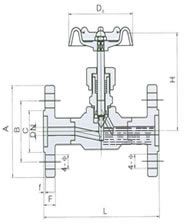
一、J43W法兰针型阀结构图:

二、J43W法兰针型阀试验标准: (单位Unit:MPa)
试验项目TESTITEM | 压力值PRESSURE VALVE |
公称压力Nominal Pressure | 2.5 |
壳体试验Shell Test | 3.7 |
密封试验Test | 2.75 |
气压试验Air Pressure Test | 0.9 |
适用温度Suitable Temperatue | ≤180℃ |
适用介质Suitable Medium | 水、蒸汽、油品等Water,Steam,Oilgoods |
三、J43W法兰针型阀的型号与零部件材质:
型号 TYPE | 阀体 BODY | 接头 TIE-IN | 阀杆 VALVE HANDLE | 螺帽 SCREW CAP | 填料 PACKING |
J43H-25 | 20# | 20# | 2Cr13 | 20# | 柔性石墨、四氟 Leslble graphite |
J43W-25P | 304SS | 304SS | 304SS | 304SS | 柔性石墨、四氟 Leslble graphite |
J43W-25R | 316SS | 316SS | 316SS | 316SS | 柔性石墨、四氟 Leslble graphite |
四、J43W法兰针型阀外型与连接尺寸:
规格 SPECIF ICATION | A | L | H | Do |
DN10 | 90 | 130 | 90 | 60 |
DN15 | 92 | 122 | 90 | 60 |
DN20 | 105 | 150 | 105 | 80 |
DN25 | 115 | 150 | 120 | 100 |