GD系列机械隔膜计量泵
主要性能参数
l 最大流量:130L/H
l 最高输出压力:10bar
l 调节比10:1,稳态精度±2%
l 最大吸入高度可达2米水柱
l 最大入口压力2bar
l 允许物料的最高温度为40℃
主要特征
液力端
l 机械驱动隔膜,隔膜采用PTFE和弹性橡胶的多层复合结构,具有无泄漏特点,经久耐用
l 物料侧无隔膜护盘,便于物料通过
l PVC,PVDF,316SS等泵头材质可选,适合各种物料
l 自清洗单向阀结构
驱动端
l 采用可靠的双凸轮结构,适合多种苛刻工况,噪音低,拆卸简单,维修方便
l 油浴润滑,驱动部件工作寿命长
l 在停机或运行状态下均可实现流量调节
l 高精度蜗轮、蜗杆技术运行平稳。
主要应用
l 广泛应用于环保、市政、制药、食品、污水处理及科研等各个行业,输送各种化学药剂
控制方式
l 以“开/停”机方式控制电机,调量手柄调节流量输出
l 供电电源:220V/50Hz单相电机,380V/50Hz三相电机
l 变频控制器,接受外部控制信号,调节冲程速度,供电电源200V-50Hz单相/380V-50Hz三相,输入信号4-20mA模拟信号。
附件
可供应系统所需附件如:过滤器,校正柱,安全阀,背压阀,脉动缓冲器等,其中安全阀为必选项。(GD030、GD050 PVC/PVDF泵头材质且接口代码为R的泵,随计量泵提供注射阀、脚阀、配重和6米软管)
液力端主要部件材料
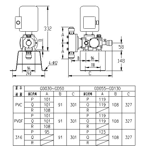
GD030-GD130
液力端材质 | 阀体 | 阀座 | 阀球 | 隔膜 | 密封圈 | 连接 |
PVC | PVC | PVDF | 氧化锆 | PTFE复合隔膜 | 氟橡胶 | PVC |
PVDF | PVDF | PVDF | 氧化锆 | PTFE复合隔膜 | 氟橡胶 | PVDF |
316SS | 316SS | 316SS | 316SS | PTFE复合隔膜 | 氟橡胶 | 316SS |
流量
编码 | LPH@Pmax | 行程(mm) | SPM | Pmax(bar) | 电机功率 |
030 | 34 | 4 | 80 | 10 | 0.2kW |
050 | 51 | 4 | 96 | 10 |
055 | 59 | 4 | 80 | 10 |
070 | 71 | 4 | 96 | 10 |
085 | 91 | 6 | 80 | 10 |
100 | 107 | 6 | 96 | 8 |
130 | 135 | 6 | 116 | 8 |
液力端
编码 | 描述 |
P | PVC液力端 |
S | 316液力端 |
T | PVDF液力端 |
Z | 特殊材料液力端,咨询南方泵业,并在订货时说明 |
接口
编码 | 描述 | GD030-050 | GD055-130 |
PVC | PVDF | 316 | PVC | PVDF | 316 |
P | NPT螺纹接口 | ---- | ---- | 1/2”F | 1/2”F | 1/2”F | 1/2”F |
Q | 内管口硬管插管接口 | DN15 | DN15 | ---- | DN15 | DN15 | ---- |
R | 插接6x12软管 | 6x12 | 6x12 | ---- | ---- | ---- | ---- |
X | 特殊接口 | 咨询南方泵业,并在订货时说明 |
电机
编码 | 描述 |
1 | 200W,1440rpm,3-50-380v,IP55/F/TEFC |
2 | 200W,电容启动型,1440rpm,1-50-220v,IP55/F/TEFC |
3 | 其它,请咨询南方泵业 |
底板
GD系列机械隔膜计量泵外形尺寸
