方向可调三通组合接头—BSPP英制螺纹/M公制普通螺纹 |

焊接式接头, 订货示例:(“×2”表示壁厚S为2) 卡套式接头,订货示例:
公制螺纹接头:W-EL-S16×2M22×1.5WD 公制螺纹接头:C-EL-S16M22×1.5WD
英制螺纹接头:W-EL-S16×2G1/2WD 英制螺纹接头:C-EL-S16G1/2WD

带O型圈软密封扩口式接头 接头体, 订货示例:
订货示例:F-EL-S16G1/2WD 详见第18页 公制螺纹接头:EL-S16M22×1.5WD
单订扩口式接头体在前加“X”,如XF-EL-S16G1/2WD 英制螺纹接头:EL-S16G1/2WD
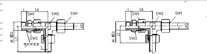
系 列 | 焊接 式 | 卡套 式 | 扩口 式 | 公制螺纹 接头体型号 | M | 英制螺纹 接头体型号 | G | 压力 (bar) | 管径 AD | L3 | L6 | i M螺纹 | i G螺纹 | SW1 | SW3 |
轻 系 列 L | W- | C- | F- | EL-L06M10×1WD | M10×1 | EL-L06G1/8WD | G1/8″ | 315 | 6 | 12 | 34.5 | 8 | 8 | 14 | 14 |
W- | C- | F- | EL-L08M12×1.5WD | M12×1.5 | EL-L08G1/4WD | G1/4″ | 8 | 14 | 37.5 | 12 | 12 | 17 | 17 |
W- | C- | F- | EL-L10M14×1.5WD | M14×1.5 | EL-L10G1/4WD | G1/4″ | 10 | 15 | 40 | 12 | 12 | 19 | 19 |
W- | C- | F- | EL-L12M16×1.5WD | M16×1.5 | EL-L12G3/8WD | G3/8″ | 12 | 17 | 42 | 12 | 12 | 22 | 22 |
W- | C- | F- | EL-L15M18×1.5WD | M18×1.5 | EL-L15G1/2WD | G1/2″ | 15 | 21 | 46 | 12 | 14 | 27 | 27 |
W- | C- | F- | EL-L18M22×1.5WD | M22×1.5 | EL-L18G1/2WD | G1/2″ | 18 | 23.5 | 50 | 14 | 14 | 32 | 27 |
W- | C- | F- | EL-L22M26×1.5WD | M26×1.5 | EL-L22G3/4WD | G3/4″ | 250 | 22 | 27.5 | 55 | 16 | 16 | 36 | 32 |
W- | C- | F- | EL-L28M36×2WD | M33×2 | EL-L28G1WD | G1″ | 28 | 30.5 | 59 | 18 | 18 | 41 | 41 |
W- | C- | F- | EL-L35M42×2WD | M42×2 | EL-L35G11/4WD | G11/4″ | 35 | 34.5 | 68.5 | 20 | 20 | 50 | 50 |
W- | C- | F- | EL-L42M48×2WD | M48×2 | EL-L42G11/2WD | G11/2″ | 42 | 40 | 75 | 22 | 22 | 60 | 55 |
重 系 列 S | W- | C- | F- | EL-S06M12×1.5WD | M12×1.5 | EL-S06G1/4WD | G1/4″ | 630 | 6 | 16 | 40 | 12 | 12 | 17 | 19 |
W- | C- | F- | EL-S08M14×1.5WD | M14×1.5 | EL-S08G1/4WD | G1/4″ | 8 | 17 | 42.5 | 12 | 12 | 19 | 19 |
W- | C- | F- | EL-S10M16×1.5WD | M16×1.5 | EL-S10G3/8WD | G3/8″ | 10 | 17.5 | 45 | 12 | 12 | 22 | 22 |
W- | C- | F- | EL-S12M18×1.5WD | M18×1.5 | EL-S12G3/8WD | G3/8″ | 12 | 21.5 | 48 | 12 | 12 | 24 | 22 |
W- | C- | F- | EL-S14M20×1.5WD | M20×1.5 | EL-S14G1/2WD | G1/2″ | 14 | 22 | 54 | 14 | 14 | 27 | 27 |