



天津精工瑞联轴承有限公司专业销售
我公司主要经营日本NSK进口轴承,德国FAG进口轴承,NTN进口轴承,NACHI进口轴承,KOYO进口轴承,IKO进口轴承,THK进口轴承,SKF进口轴承,INA进口轴承,美国TIMKEN进口轴承等各进口品牌轴承及国产品牌轴承等。
公司秉承“以诚立信,以信为本”、“术业有专攻,优秀出自专注”、“先进的管理决定优质的服务”的企业文化和“专业品质,始终如一”、“客户至上,创新服务”、“微利销售,互惠双赢”的经营理念,以及“聚焦客户需求,打造完美解决方案”、“节省客户时间,降低客户生产成本”、“为客户提供迅速快捷专业完善的全程服务”的服务宗旨。
公司拥有完善的计算机信息管理系统,从询问、报价、订货到销售、售后服务,再到库存管理等,都有统一严谨的系统流程,以保证为客户提供最准确、完善、快捷的服务。多名高素质、经验丰富的销售工程师随时根据您的需求提供科学的技术服务方案,使您的采购化繁为简,轻松完成!公司产品广泛应用于汽车、电机、石油化工机械、工程机械、矿工机械、钢铁、铁路、纺织机械及农机机械等领域

公司货源充足,库存丰富,交通便捷,
热忱欢迎新老客户光临洽谈或来电来函垂询:



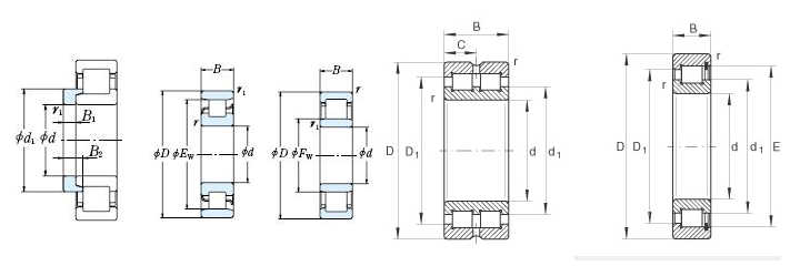
圆柱滚子轴承系列介绍:
圆柱滚子轴承属分离型轴承,安装与拆卸非常方便。圆柱滚子轴承分为单列、双列和四列。
根据轴承装用滚动体的列数不同,圆柱滚子轴承可分为单列、双列和多列圆柱滚子轴承。其中应用较多的是有保持架的单列圆柱滚子轴承。此外,还有单列或双列满装滚子等其它结构的圆柱滚子轴承。单列圆柱滚子轴承根据套圈挡边的不同分为N型、NU型、NJ型、NF型和NUP型等。圆柱滚子轴承承受的径向负荷能力大,根据套圈挡边的结构也可承受一定的单向或双向轴向负荷。NN型和NNU型双列圆柱滚子轴承结构紧凑,刚性强,承载能力大,受载荷后变形小,大多用于机床主轴的支承。FC、FCD、FCDP型四列圆柱滚子轴承可承受较大的径向载荷,多用于轧机等重型机械上。圆柱滚子轴承主要用于电机、机床、石油、轧机装卸搬运机械和各类产业机械




天津精工瑞联轴承有限公司NSK进口轴承型号如下
型号齐全 欢迎垂询
NSK轴承NN3005
NSK轴承NN3005K
NSK轴承NN3006
NSK轴承NN3006K
NSK轴承NN3007
NSK轴承NN3007K
NSK轴承NN3008
NSK轴承NN3008K
NSK轴承NN3009
NSK轴承NN3009K
NSK轴承NN3010
NSK轴承NN3010K
NSK轴承NN3011
NSK轴承NN3011K
NSK轴承NN3012
NSK轴承NN3012K
NSK轴承NN3013
--天津精工瑞联轴承有限公司 -- 型号齐全 -- 欢迎垂询 --