把小产品当大事情去做就不平凡
把世间事以平常心对待就不容易
优质产品,快速配送,
优质服务,务实创新,
投机没有未来,尊重标准,尊重客户
本公司产品都是按照国标标准生产,致力打照河北一流企业
河北新力---真诚到永远


河北新力紧固件有限公司坐落于新洺河桥北路东(温州吉利紧固件商城东20米),濒临京广路,其独特的地理位置和便利的交通为公司的发展提供得天独厚的条件。
我公司由原邯郸市国企标准件厂重要骨干人员组建而成,邯标人员占职工总数的80%以上,涵盖了从技术,生产,质检,经营管理等全方位人才。是一所集产品研发、生产经营为一体的现代化企业。公司全部采用新设备,新工艺及最先进的热处理生产线,并购置整套的先进检测设备,万能试验机、硬度计、轴力实验室,扭力系数测定仪等;全方位保证了产品质量稳定与提高,并凭借其标准件领域的专业技术水平和成熟经验,力争把我公司打造成紧固件行业的龙头企业。我公司已通过ISO9001:2008国际质量管理体系认证,并注册“HBXL”产品标识,采用独特的专利包装等,立足打造紧固件行业卓越品牌。
公司将始终遵循“以人为本、质量第一、客户至上”的经营理念,采用科学规范管理,发展企业各部分最佳优势和潜能,不断检验企业,以求更加完善,以年青、创新、完美的形象来满足广大客户的需求。
河北新力紧固件愿与行业内同行,携手合作,共创河北紧固件新形象。

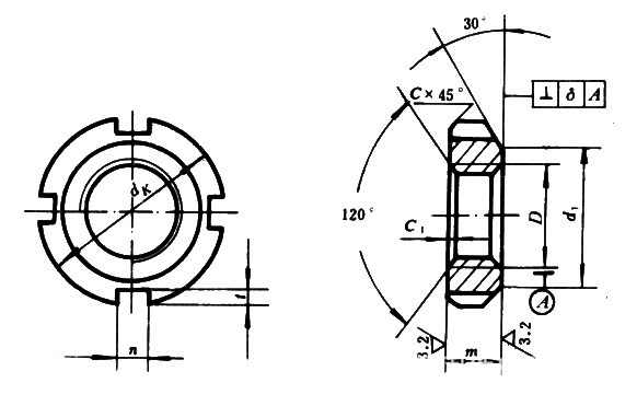
与螺栓、螺钉配合使用,起连接紧固机件作用。
其中经1型六用螺母应用最广,C级螺母用于表面比较粗糙、对精度要求不高的机器、设备或结构上;A级和B级螺母用于表面比较光洁、对精度要求较高的机器、设备或结构上。2型六角螺母的厚度M较厚,多用于常经常需要装拆的场合。六角薄螺母的厚度M较薄,多用于被连接机件的表面空间受限制的场合。





所产生的物流费用归买方负责,一切费用参照市场标准,如买方能提供合适的物流路线,和价格,我公司秉承买方意思,途中所产生的风险与本公司无关!
临近港口:天津港
临近铁道:邯郸站,邢台站
临近物流:永年河北铺物流遍布全国大江南北,国内市场,本人建议采用汽运物流,方便,安全,快捷!

联 系 人:王志峰(先生)
联系电话:13803105251
联系传真:0310-5607516
33aa4ff26bf64b21b3900cc608c82494