一 产品概述:
本系列扇形盲板阀又称眼镜阀、翻板阀、扇形阀,系GB6222《工业企业煤气安全规程》要求的可靠切断气体介质的设备。广泛应用于工矿企业、市政、环保等行业的气体介质管理系统中,尤其适用于有害、有毒、易燃气体的绝对切断。亦适宜做管道终端的盲板,以缩短检修时间或方便连接新的管路。
该系列扇形盲板阀与其他在管路中做绝对切断的阀门设备相比,具有结构新颖、重量轻、体积小、操作方便、动作迅速、切断气体性能绝对可靠的特点。
二 工作原理:
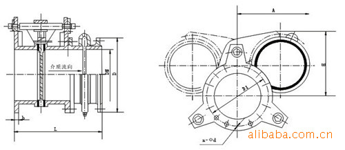
F43X手动扇形盲板阀由左阀体、右阀体、中阀体、连接螺杆(三根)组成。用扳手旋转连接螺杆,使左右阀体完成夹紧和松开动作,利用闸板上盲板和通孔板的位置变换达到启闭目的。本阀具有结构简单,重量轻,性能可靠,操作方便等特点。本阀为短结构系列,橡胶密封圈分别安装在左、右阀体上。
三 主要技术参数:
公称压力MPa | 0.25 | 0.15 | 0.10 | 0.05 |
密封试验压力MPa | 0.275 | 0.165 | 0.11 | 0.055 |
强度试验压力MPa | 0.40 | 0.225 | 0.15 | 0.075 |
适用温度℃ | 丁腈橡胶 | 硅橡胶 | 氟橡胶 |
<120 | <250 | <300 |
适用介质 | 煤气等有毒、有害、易燃气体 |
四 主要零部件材料:
阀体、闸板为碳钢;连接轴、伸缩器为碳钢或不锈钢;密封圈为橡胶 |
五 产品平面结构:
