一、概述
YBS系列刮板输送机用隔爆型三相异步电动机,具有频繁起动、过载能力强、防护性能好等特点,适用于煤矿井下驱动刮板输送机、胶带运输机、刮板转载机等煤矿机械。隔爆性能符合GB3836.1-2000《爆炸性气体环境用电气设备第1部分:通用要求》和GB3836.2-2000《爆炸性气体环境用电气设备第2部分:隔爆型“d”》的规定,防爆标志“ExdI”.
二、电动机型号意义

三、使用条件
1、电动机的外壳防护等级为IP44,接线腔为IP55。
2、电动机的冷却方式为外壳风冷式(ICO141),对110KW以上功率可采用水冷方式。
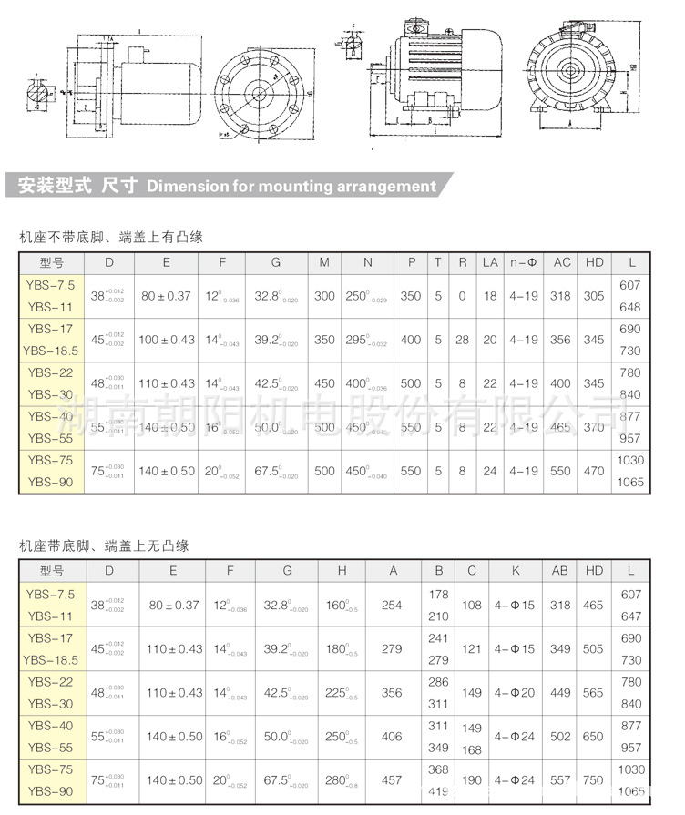
3、电动机的结构及安装型式为IMB3、IMB5,。
4、电动机的定额是以连续工作制(S1)为基准的连续定额。
5、电动机的额定频率为50HZ,额定电压380V/660V、660V/1140V、3300。
6、电动机应按下列额定功率制造: 7.5,11,177,18.5,22,30,40,55,75,90,110,132,160,200,250,315,375,400,500KW.
7、电动机的同步转速为1500r/min。
四、电动机特性
1、结构坚实。能经受住煤炭、矸石或其他物料的冲、撞、砸、压等外力作用。
2、 能适应采煤工作面底板不平、弯曲推移的需要,可以承受垂直或水平方向的弯曲。
3、机身矮,便于安装。
4、能兼作采煤机运行的轨道。
5、可反向运行,便于处理底链事故。
6、能作液夜支架前段的支点。
7、结构简单,在输送长度上可任意点进料或卸料。
8、机壳密闭,可以防止输送物料时粉尘飞扬而污染环境。
9、当其尾部不设置机壳,并将刮板插入料堆时,可自行取料输送。
使用条件及主要技术参数

YBS刮板输送机的使用和维护
(1)刮板输送机开始投人运转期间,应注意检查刮板链的松紧程度,因为溜槽间的连接会因运转而缩小间距。而链子过松会出现卡链、跳链、断链和链条掉道的事故.检查方法是反转输送机,数一数松弛链环数目,如有两个以上完全松弛的链环时,则需要重新紧链。
(2)工作面要保持直线。若工作面不直,会使两条链的张力不等,将导致链条磨损不均或使底链掉道、卡住或断链。
(3)输送机的弯曲要适宜,不要出现“急弯”,应使弯曲部分不小于八节溜槽,推移时要注意前后液压千斤顶互相配合,避免出现急弯。否则会引起溜槽错口,造成断链掉链事故,要特别注意输送机停车时不能推移。
(4)输送机铺得要平。由于溜槽结构的限制,它只能适应在垂直方向3 -5 的变化,因此工作面底板如有局部凹凸应予平整.并且输送机铺设平整有利于刮板链的运转,可减小溜槽的磨损和使功率消耗减小。
(5)在进行爆破时,必须把输送机的传动部分及管路、机组电缆、开关等保护好。当输送机运送铁料、长材料时,应制定安全措施,以免造成人身事故。
(6)过渡槽机尾和中间槽的搭接处不准有过大的折曲,有折曲时应用木板垫好。
(7)特别注意联轴节振动情况,在输送机启动时检查液力联轴节振动情况,为了保护良好的散热条件,应经常清理保护盖板和液。

湖南朝阳机电股份有限公司位于湘江之滨的湖南省衡阳大浦工业园,京珠高速纵贯南北,衡昆高速横跨东西,京广、湘桂(铁路)交汇于此,乘高铁至长沙黄花国际机场一小时可抵,物流发达,交通便利。
公司由原湖南朝阳电机股份有限公司、衡阳市朝阳泵业股份有限公司两家著名企业合并组成,其中,湖南朝阳电机股份有限公司(原衡南电机厂),创建于上世纪七十年代初期,有40多年的专业制造电机的历史,是原国家机电部定点生产电机的骨干企业;衡阳市朝阳泵业股份有限公司创建于上世纪九十年代初期,有20多年的专业制造潜水电泵的历史,是国内开发能力最强,生产潜水泵规格最多的企业之一。此外,公司还控股湖南朝阳重型机械有限公司、衡阳市朝阳动力机械有限公司、衡阳市朝阳机械配件有限公司三家子公司,为地方社会经济发展作出了较大贡献。
公司占地13.8万平方米,总资产2.9亿元,职工1080人,其中科技人员180人,具备年生产Y系列、Y2系列、YB2(防爆)系列、YBS(防爆刮板机)系列、YB3(高效防爆)系列、YX3(高效节能)系列、YE2(高效节能)系列三相异步电动机300万kW,同时年生产BQW(防爆)系列、QY系列、WQ系列、QW系列、JYWQ系列、QX系列、QXN系列、QZ(H) 系列、QD等系列各型潜水电泵和PD、PDF、PMD自平衡多级离心泵100000台的能力,是国家发改委指定节能电机和节能电泵生产企业,并享受发改委、财政部节能电机专项资金补贴,行业地位可见一斑。
公司注册使用的“朝阳”商标为“湖南省著名商标”。朝阳牌电动机和潜水泵以其优良的设计,上乘的用材,精湛的工艺,可靠的特性深得市场和客户的高度认可,一直以来,均被评为“湖南省名牌产品”,并通过了MA煤安认证、CCC安全认证、CE(欧盟)安全认证、QS生产许可认证、节能标志及ISO9000等多项认证,销售网络覆盖全国,并出口世界十多个国家和地区,深受广大用户欢迎。
公司多年来连续保持两位数年增长率,健康的财务状况是企业更好履行社会责任的必备条件,确保了对客户、合作伙伴和利益相关方的承诺得以实现,愿与国内外客户真诚合作,共同创造美好未来。






