台达变频器|台达CT2000系列|台达高防护型变频器|纺织机械专用型变频器说明:中达产品台达变频器CT2000系列 高防护型变频器产品由佛山台达变频器代理商佛山苏迪自动化科技有限公司代理销售,欢迎你的了解:0757-63387871/63387872/15024257220韩小姐。台达CT2000系列变频器专为高温、高湿、高粉尘、重污染、瞬间电压波动等恶劣环境而设计,无风扇设计,坚固耐用高防护,可满足粗纱机、细纱机、机床、陶瓷、玻璃等高污染行业的特殊要求
高温机械变频器、高湿机械变频器、高粉尘机械变频器、重污染机械变频器、瞬间电压波动机械变频器
粗纱机机械变频器、细纱机机械变频器、机床机械变频器、陶瓷机械变频器、玻璃机械变频器,高污染环境机械变频器

台达变频器CT2000系列高防护型变频器产品特点:▲ 无风扇设计,搭载高效率散热片,采用穿墙式安装符合
▲ 规格要求的风道散热系统配置,有效提高了系统防护性和散热性
▲ 预留外挂风扇电源供电接头,可以根据实际情况选购
▲ 支持DEB功能,利用刹车时的回升能量让驱动器平稳减速
▲ 可驱动永磁同步电机
▲ 共直流母线
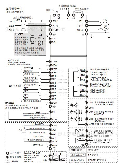
▲ PCB采取IEC 60721-3-3 CLASS 3C2等级防护涂胶,强化耐受性。台达变频器CT2000系列高防护型变频器接线方式
打开交流马达驱动器上盖后,露出各接线端子排,检查各主回路电路及控制回路电路之端子是否标示清楚
及接线时注意以下各项说明,千万不要接错线。
;交流马达驱动器的主回路电源端子R/L1、S/L2、T/L3是输入电源端。如果将电源错误连接于其它端子,
则将损坏交流马达驱动器。另外应确认电源应在铭牌标示的允许电压/电流范围内(参考1-1产品外观之
铭牌说明)。
;接地端子必须良好接地,一方面可以防止雷击或感电事故,另外能降低噪声干扰。
;各连接端子与导线间的螺丝请确实锁紧,以防震动松脱产生火花。

DANGER
;若要改变接线,首先应关掉运转的变频器电源,因为内部回路直流部分滤波电容器完
成放电需要一定时间。为避免危险,客户可使用直流电压表作测试。确认电压值小
于25Vdc安全电压值后,才能开始进行配线。若使用者未让变频器充分时间放电,
内部会有残留电压,此时进行配线会造成电路短路并发生火花现象,所以请使用者
最好在无电压条件下进行作业以确保自身安全。
;配线作业应由专业人员进行。确认电源断开(OFF)后才可作业,否则可能发生感电
事故。
;配线时,配线线径规格之选定,请依照电工法规之规定施行配线,以策安全。
;完成电路配线后,请再次检查以下几点:
1.所有连接是否都正确无误?
2.有无遗漏接线?
3.各端子和连接线之间是否有短路或对地短路?
台达变频器CT2000系列高防护型变频器产品应用:纺织 粗纱机、细纱机、机床、陶瓷、玻璃设备等

以上中达产品台达变频器CT2000系列高防护型变频器产品信息由佛山台达变频器代理商佛山苏迪自动化科技有限公司提供