以下是中山台达变频器|台达VFD-F-E系列|台达应急电源EPS专用型变频器产品特点说明:中达产品台达变频器VFD-F-E系列|应急电源EPS专用型变频器系列产品由佛山台达变频器代理商佛山苏迪自动化科技有限公司代理销售,欢迎你的了解:0757-63387871/63387872/15024257220韩小姐
感謝您採用台達EPS專用型交流電機驅動器VFD-FE系列。VFD-FE係列採用高品質的元
件、材料及融合最新的微電腦控制技術製造而成。
本手冊提供給使用者安裝、參數設定、異常診斷、排除及日常維護本交流電機驅動器相關注意
事項。為了確保能夠正確地安裝及操作本交流電機驅動器,請在裝機之前,詳細閱讀本使用手
冊,並請妥善保存及交由該機器的使用者。
交流電機驅動器乃精密的電力電子產品,為了操作者及機械設備的安全,請務必交由專業的電
機工程人員安裝試車及調整參數,本手冊中有”危險”、”注意”等符號說明的地方請務必仔細研讀,若有任何疑慮的地方請連絡本公司各地的代理商咨詢,我們的專業人員會樂于為您服務。
▲ 独特的相位同步功能
▲ 电机运行噪音小,载波频率可达16kHz
▲ 供电电压范围宽等特点
▲ 输出转矩补偿和限制功能,满足了电池容量的需求
▲ 多种故障自动重启功能 
此說明書需搭配VFD-FE簡體使用手冊5011680500-FES0使用。
此說明書所影響的機種如下:
VFD007F23W-E;VFD015F23W-E;VFD022F23W-E;VFD037F23W-E;
VFD055F23W-E;VFD075F23W-E;VFD110F23W-E;VFD055F43W-E;
VFD075F43W-E;VFD110F43W-E;VFD150F43W-E
請詳細閱讀下列說明后才使用本產品,以確保使用安全。
由于產品精益求精,當內容規格有所修正時,請咨詢代理商或至台達網站台达变频器VFD-F-E系列应急电源EPS专用型配線注意事項
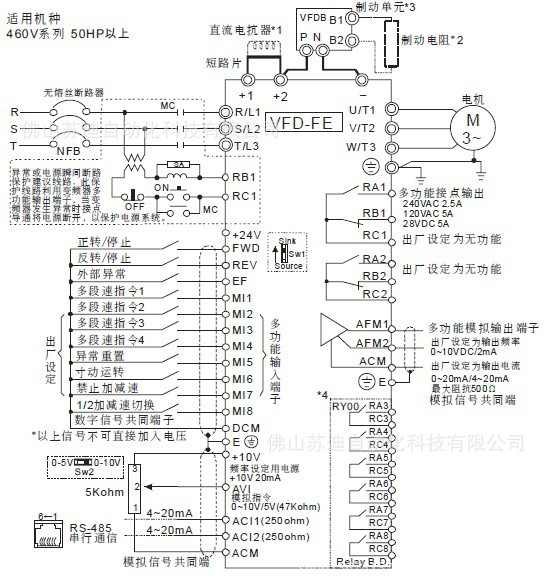
..配線時,配線線徑規格的選定,請依照電工法規的規定施行配線,以策安全。..三相交流輸入電源與主回路端子(R/L1,S/L2,T/L3)之間的連線一定要接一個無熔絲開關。最好能另串接一電磁接觸器(MC)以在交流電機驅動器保護功能動作時可同時切斷電源。(電磁接觸器的兩端需加裝R-C 突波吸收器)。..輸入電源 R/L1,S/L2,T/L3 並無相序分別,可任意連接使用。..交流電機驅動器端子務必正確的接地。230V系列第三種接地,460V系列特種接地。..交流電機驅動器接地線不可與電銲機、大馬力電機等大電流負載共同接地,而必須分別接地。
..接地配線必須愈短愈好。..數台交流電機驅動器共同接地時,勿形成接地回路。參考下圖:正轉..若將交流電機驅動器輸出端子 U/T1,V/T2,W/T3 相對連接至電機 U/T1,V/T2,W/T3 端子,則交流電機驅動器數字控制面板上正轉(FWD)指示燈亮,則表示交流電機驅動器執行正轉,電機旋轉方向如上右圖所示:若逆轉(REV)指示燈亮,則表示交流電機驅動器執行反轉,旋轉方向與上圖相反。若無法確定交流電機驅動器輸出端子 U/T1,V/T2,W/T3連接至電機 U/T1,V/T2,W/T3 端子是否一對一連接,如果交流電機驅動器執行正轉時,電機為反轉方向,只要將電機 U/T1,V/T2,W/T3 端子中任意兩條對調即可。..確定電源電壓及可供應的最大電流。..當 “數字操作器” 顯示時,請勿連接或拆卸任何配線。.. VFD-FE交流電機驅動器內部並無安裝剎車電阻,在負載慣性大或頻繁啟動停止的使用場合時,務必加裝剎車電阻,可依需要選購。
..不可將交流電源連接至交流電機驅動器出力側端子 U/T1,V/T2,W/T3。..主回路端子的螺絲請確實鎖緊,以防止因震動鬆脫產生火花。..主回路配線與控制回路的配線必需分離,以防止發生誤動作。如必需交錯,請作成90°的交叉。..若交流電機驅動器出力側端子 U/T1,V/T2,W/T3有必要加裝噪聲濾波器時,必需使用電感式L-濾波器,不可加裝進相電容器或L-C、R-C式濾波器。..控制配線請儘量使用屏蔽線,端子前的屏蔽網剝除段請勿露出。..電源配線請使用屏蔽線或線管,並將屏蔽層或線管兩端接地。台达变频器VFD-F-E系列应急电源EPS专用型功率说明功率范围 | 750W 1HP | 1.5kW 2HP | 2.2kW 3HP | 3.7kW 5HP | 5.5kW 7.5HP | 7.5kW 10HP | 11kW 15HP | 15kW 20HP | 18.5kW 25HP | 22kW 30HP | 30kW 40HP | 37kW 50HP | 45kW 60HP | 55kW 75HP | 75kW 100HP | ... | 220kW 300HP |
VFD-F-E | 230V/3-phase | | | | | | | | | | |
460V/3-phase |
| | | | | | | | | | | | | | | | | | | | | | | |
台达变频器VFD-F-E系列应急电源EPS专用型应用:消防应急电源行业、风力发电行业、电源逆变器
消防应急电源设备专用变频器、
风力发电设备专用变频器、
电源逆变器设备专用变频器
以上中达产品台达变频器VFD-F-E系列|应急电源EPS专用型变频器产品信息由佛山台达变频器代理商佛山苏迪自动化科技有限公司提供