一、性能与用途
MPZ型气缸密封件用于气缸和阀。双作用缸密封件要求沟槽尺寸小。低摩擦缸密封件有两个微型的密封边,它们之间积放有润滑脂。
二、材质
橡塑RP或氟胶FKM。
三、工作条件
工作压力:≤12bar;
工作温度:-20至+100℃;
表面速度:≤1m/s。
四、安装
这类MPZ型气动活塞密封件可以很简单地将其套在活塞上而装入沟槽中。为了避免损坏密封件,应将活塞和缸筒上的锐边去除。在无润滑的情况下,重要的是要在缸筒内有完整的润滑膜,这应在装配前做到,以确保密封件较长的工作寿命。活塞的导向方面,我们推荐用本公司CST活塞导向带。
五、主要优点
安装沟槽小,密封性能好;
由于有最佳的密封唇口的几何形状,因而运行平稳;
结构小,因而静、动磨擦都很低;
适用于干燥空气和无油空气,装配时的初始润滑对长的工作寿命有至关重要的作用;
易于装入密封沟槽中。
六、设计标准
本系列符合Parker公司PZ系列
七、标注及订货方法
D=40mm d=31mm H=2.5
规格:40×31×2.5
订货号:MPZ 4031 +材质 或记为:MPZ40×31×2.5 +材质
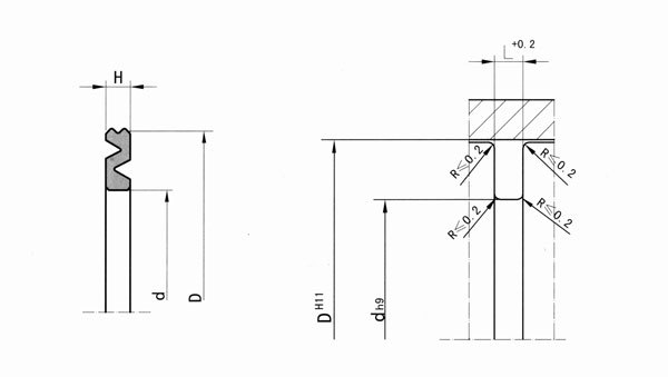
八、结构装置

?