工厂直销:15-250W调速电机,调速刹车电机,调速阻尼电机,定速电机,定速刹车电机,定速阻尼电机。可逆电机。
公司为一般纳税人:可开17%增值税。
联系电话:0755-81736266/6260
13823608152
周先生。
深圳组装车间地址:深圳市宝安区蚌岗路268号

















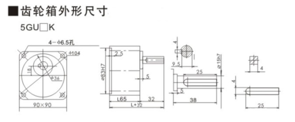
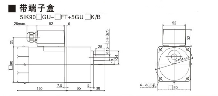
1.产品的特征
a.感应马达
A.小型马达的代表性型号,可连续使用。
本产品有两种型号单相感应马达和三相感应马达。
b.可逆马达
本产品是单相可逆马达,外观构造类似于感应马达,
适合于经常需要正,逆反复旋转的场。
2.安装条件:
请将电动机安装在通风良好,检查方便的下述场所。
a.安装在室内的框体内(请开设换气孔)
b.使用环境温度-10---+40℃(不得冻结)
c.使用环境湿度85%以下(不得结露)
d.吴爆炸性气体,有害气体(硫化氢气体等)及液体
e.无直射阳光照射
f.尘埃,铁粉等较小
g.不会沾染水(风雨或水滴)油(油滴)及其他液体
h.盐分较少
i.无连续性振动和过度冲击
j.电磁杂讯(焊接机,动力机器等)较少
k.无放射性物资,磁场,且非真空
l.海拔1000m以下
非正常启动时检查的项目
1.电机不转或作低速运转---------请确认电源电压;请正确连接电源和电动机;如果是单相电动机,请正确连接附属的电容器;使用端子台和压着端子时,请确认是否有接触不良;请将负载设定在容许值以下。
2.电动机时转时停---------请确认连接电源和电动机;如果是单相电动机,请确认连接附属的电容器;使用端子台和压着端子时,请确认是否有接触不良。
3.方向与指定方向相反的方向运转---------请参照(接线图)正确进行连接;如果是单相电动机,请正确连接附属的电容器;根据减速机减速比的不同,有可能出现电动机出力轴与减速机出力轴的运转方向相反的情况,请参照减速机的使用说明书;运转方向是指从电动机出力轴测观测的方向,请确认观测方向是否正确。
4.电动机异常发热(电动机外壳温度超过90℃)---------请确认电源电压;如果是单相电动机,请确认连接附属的电容器;改善换气条件。
5.电动机发出异音---------请参照减速机的使用说明书,正确组装电动机和减速机;请将齿轮型号相同的电动机和减速机进行组装。
联系人:周生
手机:13823608152
电话:0755-81736260/81736066/27056119/27056215/
运费说明:
产品在售出7天内,在正常使用情况下,产品性能出现问题且外观无刮伤,我们承诺直接更换新品.
请买家在收到快递包裹时不要急于签收,签收前请检查东西是否齐全,首先看邮递纸箱外面封条是否完整,箱子有无变形厉害、在邮寄的过程中有无磨损,再签收,一旦发现问题请快递员给予确认并在快递单上注明签字,并立即通过快递单上的联系电话和相关工作人员取得联系!也可以根据您的要求进行先验货再签单的做法,查看产品是否与您所订购的产品有异!凡签收后再联系反映问题的会造成敝司的与快递公司的困扰,对此敝司是有权拒绝处理的!
注:1、由于价格浮动,最终价格请与我公司联系后再行商议。
2、其它型号产品欢迎联系查询价格货期。