更多
4GN3-100K 微型刹车电机 调速刹车电机 ,定速刹车马达优选东川
1台起批
450.00
点此议价
产品属性
图文详情
品牌推荐
品牌/型号
东川DONGCHUAN/4IK25RGN-CM/4GN3-100K
额定电压
220(V)V
额定电流
0.24(A)A
额定转矩
0.18(NM)
效率
100(%)%
额定转速
1350(rpm)r/min
额定功率
25(W)W
型号
4IK25RGN-CM/4GN3-100K
适用范围
包装机械设备,自动化设备,机械设备
品牌
东川DONGCHUAN
产品类型
三相异步刹车电动机
产品认证
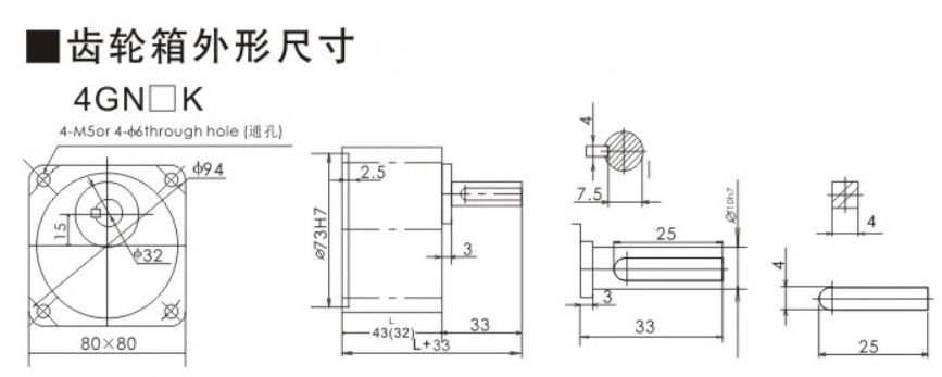
外形尺寸
80(mm)mm
电气与能源设备 > 电动机/电机 > 微电机 >
马可波罗版权所有1999-2020