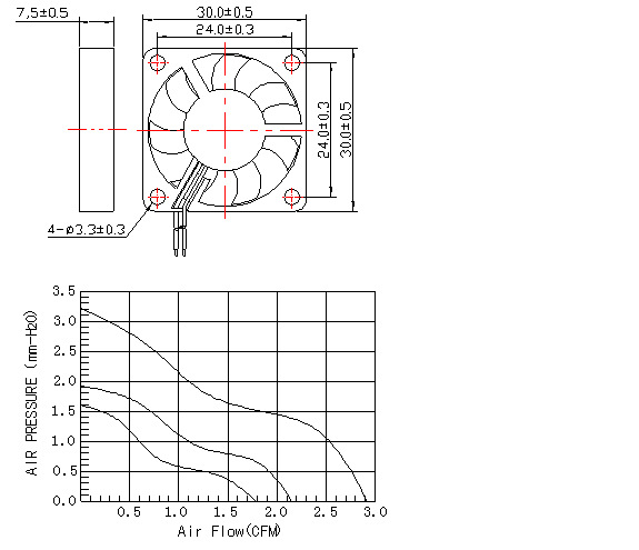
设计特性 ■ 产品尺寸(MM):30×30×6 ■ 工作电压:5V,12V ■ 工作电流(A):0.08-0.20 ■ 转速(RPM):5000-8000 ■ 风量(CFM):1.79-2.92 ■ 轴承类型:含油轴承和滚珠轴承 ■ 材料:扇叶及框架 PBT(UL 94V-0) ■ 导线:UL认证线材;红色导线正极(+);黑色导线负极(-)。 ■ 允许的环境温度范围:-10℃~+70℃(作业);-40℃~+70℃(存储)。
深圳风云达科技有限公司
电 话:0755-27978397 手 机:13312961351 13421352149 Q Q:1073142654
Q Q: 810114730
邮 编:518129
邮 箱:szhyffan@ 个人邮箱:1073142654@
网 址:http:// 地址:广东省深圳市龙岗区布吉镇雪象村金裕城工业区
|