取消了轴封,利用磁力耦合间接驱动,完全消除了滴漏的烦恼,绝不污染使用场地。由于泵的过流部分选用“氟塑料合金”制造。可连续输送任意浓度的酸、碱、强氧化剂等腐蚀介质而毫不受损。虽然接触液体部分是氟塑料,但泵外壳是金属材料,故泵体足以承受管道重量及抵受机械性冲击。
1.型号参数
序号 | 型号 | 流量 m³/h | 扬程 m | 效率 % | 汽蚀余量 m | 进口*出口 mm | 转速 r/min | 电机功率 kw | 整机质量 kg |
1 | CQB40-40-125F | 6.5 | 17.5 | 42 | 3.7 | 40*40 | 2900 | 1.1 | 40 |
9 | 16 | 40 |
2.型号意义


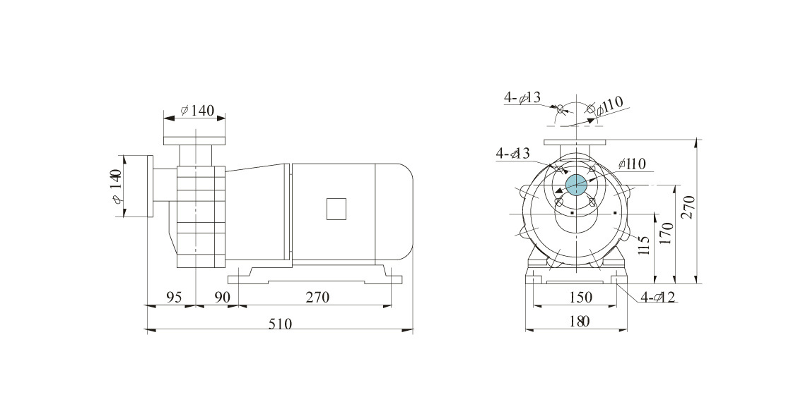
3.安装尺寸

4.性能曲线
