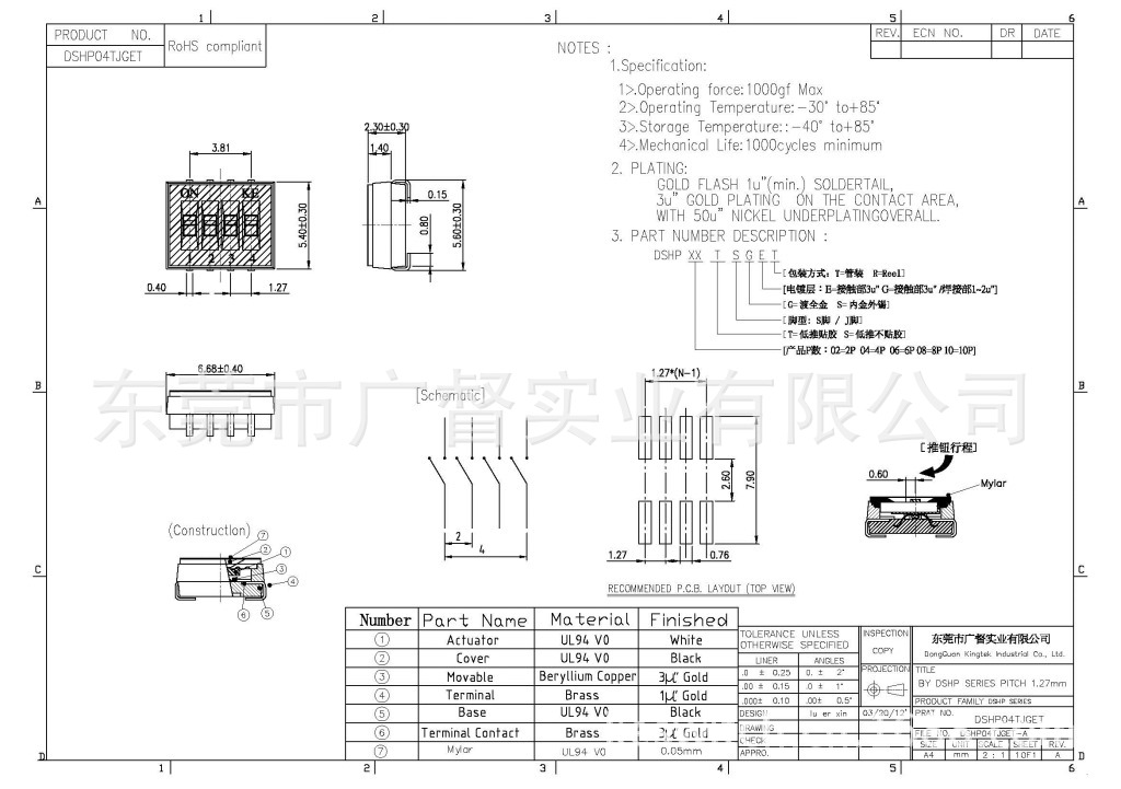
........................................................................................................................................................................................................................................................................................



