音视频红外线遥控器
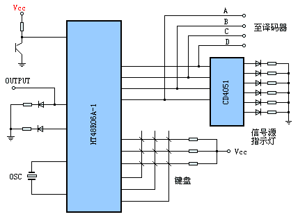
| 一.概述: 用HT48R06A-1单片机构成音视频信号源转换器,可方便地将发射器的红外编码信号解调出来,驱动相应的指示灯和输出十六进制信号,经译码电路解调后驱动电子开关,完成信号源的转换功能。 |
![]() |
| 电路由8个信号源按键,四根十六进制输出线,一根电源控制线,两个LED指示灯,同时由十六进制编码信号由一片CD4051解调出相应的信号源指示灯信号,驱动6个LED。8个按键分别是“POWER”、“LOCK”、“DVD”、“SAT”、“VCR”、“CATV”、“AUX1”和“AUX2”,由四根数据线输出调制信号,一路经一片CD4051解调驱动LED指示灯,另一路也由CD4051解调驱动电子开关,控制信号源的切换。 除发射器可控制信号源外,同时主板上也设置了相应的信号源切换按钮,所以我们采用了3x3简易键盘组成。程序中可采用扫描查询的方式判断某个按键的状态,从而输出相应的控制信号。 主板上还设置有电源指示灯和LOCK指示灯,同时电源的控制电压也取自同一输出口,充分利用端口资源,“LOCK”状态可锁定除“POWER”按键外的其它功能键,防止误操作或小孩操作。 红外接收管收到控制流后由CPU进行解读,并输出相应的信号,由解调芯片进行解码,这里我们使用的解调芯片进行多路解调,而不是直接使用单片机的I/O口,是因为选用此款MCU的I/O口线不足,当然也可选用更多端口的MCU,这要考虑选取方案的的性能价格比因素。或者需切换的信号源不多是,亦可直接使用I/O口连接到电子开关,以节约硬件开支。具体的使用方案可因地制宜,灵活掌握,总之能满足功能要求即可。 |
——专业承接电子产品、软硬件开发设计、提供小家电控制板、机电控制板 无刷直流电机控制板开发、单片机开发、电路设计及后期生产测试一体化服务——
您只要提出对产品的功能要求,甚至只是一个构思,我们即可根据您的要求设计产品的控制电路,实现您想要的功能。
———————————————————————————
深圳市华鸿瑞达科技有限公司具有强大的研发能力、完备的供应商体系及严格的品控体系,可完成电子产品方案设计、元器件选型与采购、SMT贴片加工与后焊组装、功能测试与老化等一体化服务。产品涉足汽车电子、家电、电子信息、机电设备、工业自动化控制等十多个行业。凭借开发周期短、设计方案优秀高效、产品品质稳定可靠、服务完善周到等优势,赢得客户的广泛赞誉,客户遍及全国各地以及美国、日本、瑞典、加拿大、香港、台湾等几十个国家和地区。
华鸿瑞达业务范围
项目研发
l机电设备、工业自动化类产品:办空压机控制板、钻机锣机控制板、印刷机械控制板、供水系统控制板、工控监控板、数控机床控制板、包装机械控制板等。
l电机控制类:步进马达控制板、伺服电机控制板、直流马达调速板、无刷直流电机控制板等。
l家电控制板:比如大功率吸尘器控制器、电控锁控制板、磁力锁控制板、电热水器控制器、自动窗帘控制器、面包机控制器、欧美火炉控制器、装饰吊扇控制器、电热水器控制器、自动窗帘控制器、车载冰箱控制器、咖啡机控制器、豆浆机控制器、电暖器控制器、小夜灯控制器、抽油烟机控制器、微电脑慢炖锅控制器、榨果机控制器、榨油机控制器、加湿器控制器等。
l医疗器械、理疗类:按摩椅控制器、液晶血压显示计控制板、电子离心泵控制板、脉冲医疗器控制板、腰椎理疗仪控制板、中频理疗仪控制板等。
l数字电源类:锂离子电池充电板、动力电池组管理系统、可编程数字电源、12V转电脑电源控制板等。
PCB设计
l客户提供原理图,公司根据原理图完成PCB布板;然后制作PCB给客户;
l客户提供样板,公司采用专业抄板软件进行抄板;然后制作PCB样板给客户;
l客户提供PCB图,公司根据客户要求修改或优化,制作PCB样板给客户。
PCB生产
客户提供PCB图,公司根据客户资料生产PCB给客户;
我公司电路板厂有着13年的PCB生产经验,可生产1-12层电路板,可生产喷锡、镀金、沉金、OSP膜等各种工艺;月产80万平方英尺的产能;熟练的操作工人和稳定的品质。
PCBA加工
客户提供PCB图、元件清单、烧录程序、测试方法等技术资料,公司根据客户资料生产PCBA控制板给客户。

ODM服务
客户提供技术要求,公司可根据客户要求进行研发后生产。其大致流程如下:

反向工程
客户提供样板,我公司进行抄板+解密或者重新软件编程;
l当芯片解密成本低、客户要求功能不做任何变动时,可以解密制作;
l当解密成本高,或者客户要求功能修改时,建议重新软件编程;
我方可以抄板、返原理图后再优化电路,也可在原有硬件电路基础上做较大程度的变动;在原有电路基础上加以改动,同时根据客户功能要求重新编写软件是较快的一条产品开发途径。
———————————————————————————
华鸿瑞达优势
———————————————————————————
业务流程

华鸿瑞达典型成功案
【机电设备控制类产品】:商标切割机控制板、压缩机控制板、空压机控制板、无刷直流电机控制板、自动圈线机控制板、钻机锣机控制板、印刷机械控制板、塑料机械控制板、供水系统控制板、流量控制板、工控监控板、数控机床控制板、工业电源控制板、电阻焊机控制板、剥线机控制板、电脑绣花机控制板、温湿度控制板、食品机械控制板、调色机控制板、包装机械控制板、医疗仪器控制板、颈椎治疗理疗设备控制板。
【家电控制器、控制板】:按摩椅控制器、大功率吸尘器控制器、空调柜控制板、面包机控制器、欧美火炉控制器、电热水器控制器、自动窗帘控制器、车载冰箱控制器、咖啡机控制器、商用豆浆机控制器、电暖器控制器、抽油烟机控制器、微电脑慢炖锅控制器。
开发设计过程控制:
客户要求—>我司整理方案—>评估报价—>开发协义—>DEMO确认—>批量—>结案
由于设计产品复杂程度、研发周期不一,因此具体询价请联系我司!
电话:0769-82581380
手机:18676280932
传真:0769-82254801
网址:
板给客户;
l客户提供PCB图,公司根据客户要求修改或优化,制作PCB样板给客户。
PCB生产
客户提供PCB图,公司根据客户资料生产PCB给客户;
我公司电路板厂有着13年的PCB生产经验,可生产1-12层电路板,可生产喷锡、镀金、沉金、OSP膜等各种工艺;月产80万平方英尺的产能;熟练的操作工人和稳定的品质。
PCBA加工
客户提供PCB图、元件清单、烧录程序、测试方法等技术资料,公司根据客户资料生产PCBA控制板给客户。

ODM服务
客户提供技术要求,公司可根据客户要求进行研发后生产。其大致流程如下:

反向工程
客户提供样板,我公司进行抄板+解密或者重新软件编程;
l当芯片解密成本低、客户要求功能不做任何变动时,可以解密制作;
l当解密成本高,或者客户要求功能修改时,建议重新软件编程;
我方可以抄板、返原理图后再优化电路,也可在原有硬件电路基础上做较大程度的变动;在原有电路基础上加以改动,同时根据客户功能要求重新编写软件是较快的一条产品开发途径。
———————————————————————————
华鸿瑞达科技优势
———————————————————————————
业务流程

华鸿瑞达科技典型成功案
【机电设备控制类产品】:商标切割机控制板、压缩机控制板、空压机控制板、无刷直流电机控制板、自动圈线机控制板、钻机锣机控制板、印刷机械控制板、塑料机械控制板、供水系统控制板、流量控制板、工控监控板、数控机床控制板、工业电源控制板、电阻焊机控制板、剥线机控制板、电脑绣花机控制板、温湿度控制板、食品机械控制板、调色机控制板、包装机械控制板、医疗仪器控制板、颈椎治疗理疗设备控制板。
【家电控制器、控制板】:按摩椅控制器、大功率吸尘器控制器、空调柜控制板、面包机控制器、欧美火炉控制器、电热水器控制器、自动窗帘控制器、车载冰箱控制器、咖啡机控制器、商用豆浆机控制器、电暖器控制器、抽油烟机控制器、微电脑慢炖锅控制器。
由于设计产品复杂程度、研发周期不一,因此具体询价请联系我司!
开发设计过程控制:
客户要求—>我司整理方案—>评估报价—>开发协义—>DEMO确认—>批量—>结案
联系人:徐先生
手机:18676280932
电话:0769-82581380
传真:0769-82254801
网址: