更多
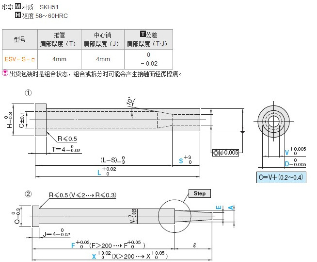
直司筒顶针
1台起批
¥
0.00
点此议价
东莞市长安创森机械配件厂
中国 东莞
全部商品
查看联系方式
产品属性
图文详情
品牌推荐
工艺类型
冲压成型模
适用范围
家电,医疗,汽车,电子,手机
工序组合类型
复合模
作用对象
金属/橡胶
加工定制
是
肩型台阶凸模-小径
¥面议
顶料型凸模
¥面议
防废料堆积型凹模-肩型
¥面议
键槽型导正销
¥面议
卸料板固定用导正销
¥面议
肩型凸模-小径
¥面议
通用机械设备
>
模具
>
冲压模/冲模
>
获取验证码
允许同品行业优质供应商联系我
您对此产品的咨询信息已成功发送给相应的供应商,请注意接听供应商电话。
对不起,您对此产品的咨询信息发送失败,请稍后重新发起咨询。
关闭
登录
|
注册
首页
|
我的马可
触屏版
电脑端
马可波罗版权所有1999-2020