更多
(厂家热销,质优价廉)直销汽车检具夹具XB-12147批发
50台起批
14.00
点此议价
产品属性
图文详情
品牌推荐
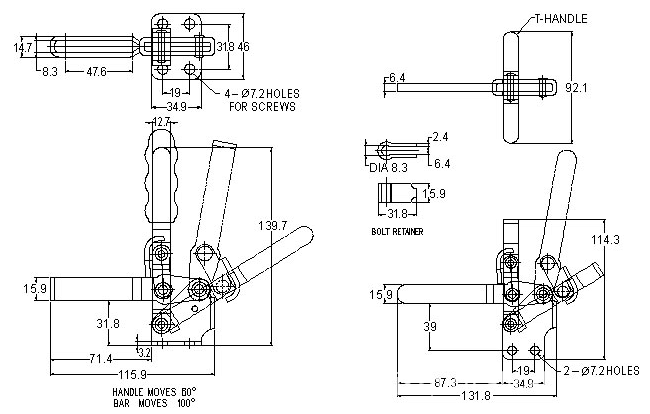
品牌/型号
鳕豹/XB-12147
材质
Q235
品牌
鳕豹
型号
XB-12147
加工定制
工具 > 切削刀具 > 其他切削刀具 >
马可波罗版权所有1999-2020