BB-B系列摆线转子油泵,是一种容积式内啮合齿轮油泵,由于该泵结构简单,噪音低、输油平稳、高转速、自吸性能好,广泛适用于2.5MPa以下的液压系统,也可用作输动力泵、润滑泵。
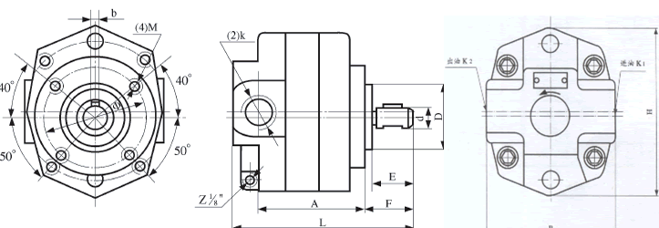
BB-B摆线齿轮泵外形图

BB-B摆线齿轮泵技术参数
型号 | 额定容量 L/min | 额定压力 MPa | 额定转速 r/min | 压力脉动 MPa | 容积效率 ηv% | 驱动功率 kw |
BB-B4 | 4 | 2.5 | 1500 | ±0.15 | ≥80 | 0.55 |
BB-B6 | 6 |
BB-B10 | 10 |
BB-B16 | 16 | ≥90 | 1.1 |
BB-B20 | 20 |
BB-B25 | 25 | 1.5 |
BB-B32 | 32 |
BB-B40 | 40 | 2.2 |
BB-B50 | 50 |
BB-B63 | 63 | 3 |
BB-B80 | 80 | 4 |
BB-B100 | 100 |
BB-B125 | 125 | 5.50 |
BB-B摆线齿轮泵技术规格
型号 | A | B | E | F | H | L | D(f8) | d(h7) | Φ | B | M | K1 | K2 |
BB-B4 | 50 | 75 | 25 | 30 | 92 | 94 | Φ35 | Φ12 | Φ50 | 4 | M6 | Z3/8" |
BB-B6 | 55 | 99 |
BB-B10 | 64 | 108 |
BB-B16 | 72 | 95 | 30 | 35 | 117 | 127 | Φ50 | Φ16 | Φ65 | 5 | M8 | Z3/4" |
BB-B20 | 76 | 131 |
BB-B25 | 81 | 136 |
BB-B32 | 88 | 143 |
BB-B40 | 85 | 115 | 32 | 37 | 134 | 144 | Φ55 | Φ22 | Φ80 | 6 | M8 | Z3/4" |
BB-B50 | 90 | 149 |
BB-B63 | 97 | 156 |
BB1-B63 | Z1" | Z3/4" |
BB2-B63 | Z1" | Z1" |
BB-B80 | 102 | 135 | 40 | 46 | 154 | 175 | Φ70 | Φ30 | Φ95 | 8 | M8 | Z1" |
BB-B100 | 109 | 182 |
BB-B125 | 118 | 191 |
BB1-B125 | Z1/4" | Z1" |
BB2-B125 | Z1/4" | Z1/4" |