更多
优质供应正力电器 JM24L-Y10PK 电感式 接近开关 传感器 开关
1台起批
27.00
点此议价
乐清市正力电器厂
乐清市乐清市经济开发区
产品属性
图文详情
品牌推荐
品牌/型号
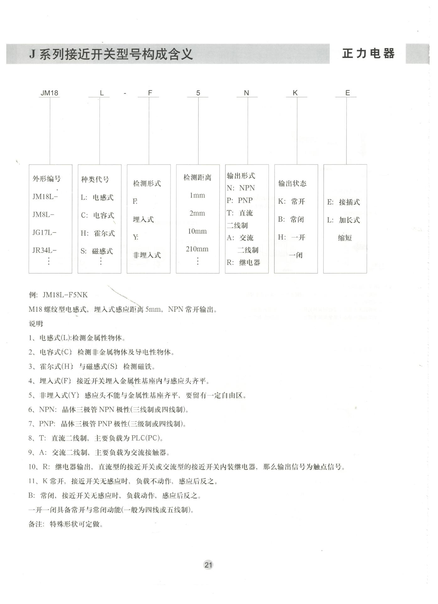
正力电器/JM24L-Y10PK,NK,AK,TK,RK
输出形式
NPN/ PNP/A交流二线制/T直流二线制/R继电器可选择
额定电压
10-30/25-240AVC(V)V
额定电流
200m(A)A
检测距离
8~15(可选择定做)(mm)
类型
电感式接近开关
加工定制
型号
JM24L-Y10PK,NK,AK,TK,RK
输出状态
常开/常闭/一开一闭(可选择)
反应频率
200hz
品牌
正力电器
电工电料、线缆照明 > 电工电料 > 电工开关 >
马可波罗版权所有1999-2020