HOZAN日本宝山/L-509镜筒架/中国总代理
L-50实体显微镜

在电子仪器的范围对应所有操作的通用性高的观察装置的标准模式。装备有防静电用导电性彩色垫子,以及焊接时保护镜头不受烟尘影响的过滤镜。而且,是可籍由丰富的选件进行系统提升的基本型。由转换镜和目镜的组合能覆盖到5~60×。
| 综合放大倍率(视场) | 10×(18mm)/20×(9mm) | | 物镜 | 1×, 2×, 旋转式 | | 目镜 | WF10×(L-511) | | 屈光度调整 | 单眼调整式、±5Dptr | | 工作距离 | 80mm | | 焦距调整 | 镜筒上下式 | | 镜筒形状 | 倾斜角45° | | 眼幅调整范围 | 55~74mm、左右独立式 | | 台座尺寸 | 145(W)×185(D)mm | | 支柱高度 | 245mm | | 从镜头中心到支柱 | 90mm | | 重量 | 2.4kg |
|
※1 旋转式能以90°旋转改变物镜的倍率


10× 20×
| L-50 放大倍率表 |
| 转换镜 | 1× | 2× | 1× | 2× | | 物镜 | L-57-0.5 | - | | 目镜 | 放大 倍率 × | 视场 mm¢ | 工作 距离 mm | 放大 倍率 × | 视场 mm¢ | 工作 距离 mm | 放大 倍率 × | 视场 mm¢ | 工作 距离 mm | 放大 倍率 × | 视场 mm¢ | 工作 距离 mm | | L-511 (WF10×) | 5 | 36 | 150 | 10 | 18 | 150 | 10 | 17.5 | 80 | 20 | 9 | 80 | | L-513 (WF15×) | 7.5 | 24 | | 15 | 12 | | 15 | 12 | | 30 | 6 | | | L-512 (WF20×) | 10 | 22 | | 20 | 11 | | 20 | 11 | | 40 | 5.5 | |
|
| 转换镜 | 1× | 2× | 1× | 2× | | 物镜 | L-57-1.5 | L-57-2.0 | | 目镜 | 放大 倍率 × | 视场 mm¢ | 工作 距离 mm | 放大 倍率 × | 视场 mm¢ | 工作 距离 mm | 放大 倍率 × | 视场 mm¢ | 工作 距离 mm | 放大 倍率 × | 视场 mm¢ | 工作 距离 mm | | L-511 (WF10×) | 15 | 12 | 40 | 30 | 6 | 40 | 20 | 9 | 27 | 40 | 4.5 | 27 | | L-513 (WF15×) | 22.5 | 8 | | 45 | 4 | | 30 | 6 | | 60 | 3 | | | L-512 (WF20×) | 30 | 7.2 | | 60 | 3.6 | | 40 | 5.3 | | 80 | 2.6 | |
|


L-501标准镜筒


※ L-511安装时的尺寸。
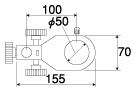
L-509镜筒架


L-521标准台座


台座尺寸:145(W)×185(D)mm
配件:彩色胶垫/接地线
L-525台座


尺寸:350(W)×450(D)mm
配件:彩色胶垫/接地线
材料:三合板(表面:三聚氰氨化妆板)
L-523臂架


配有可以安装数码相机的螺钉。
配件:2mm/8mm/L型六角扳手各1个
L-522臂式显微镜 (配有锔子夹/专用照明灯)


对低倍率的检测工作效果明显。
HOZAN日本宝山,中国总代理,原装正品,欲购从速!