3V/2V特点:
产品为系列化生产,体积小丶流量大,耗电小。配管方式可任意角度配管使用,为增长寿命最好是水平配管线圈朝上。使用电压降范围在±10%以内。
订购提示
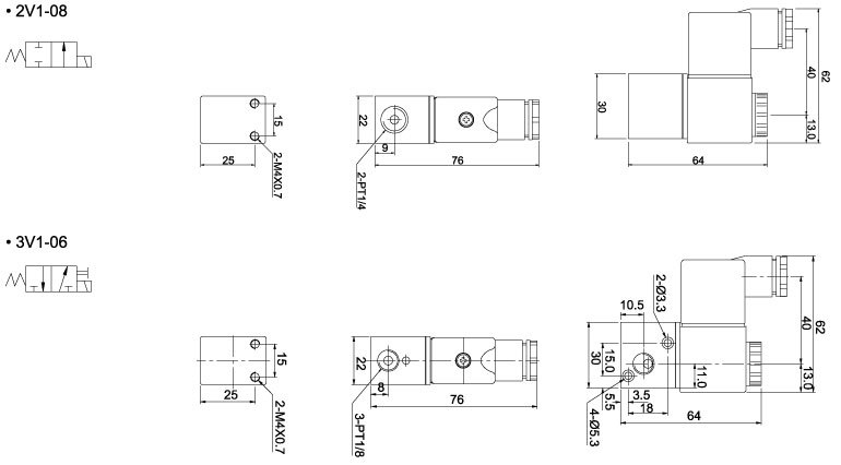
2V1-08
3V1-06
位置数
二口二位
三口二位
接管口径
PT 1/4
PT 1/8
有效断面积
1.54mm2
使用流体
压缩空气
压力范围
0~8kgf/cm2
使用温度
5~60℃
电压差
+10%
负载周期
100%
绝缘等级
Class F
保护等级
IP65
重量
140g
您对此产品的咨询信息已成功发送给相应的供应商,请注意接听供应商电话。
对不起,您对此产品的咨询信息发送失败,请稍后重新发起咨询。