
永州市冷水滩豪康动力配件经营销售康明斯发动机、发电机组配件霍尔斯特HOLSET增压器3801845
3801849
3801884
3801886
3801887
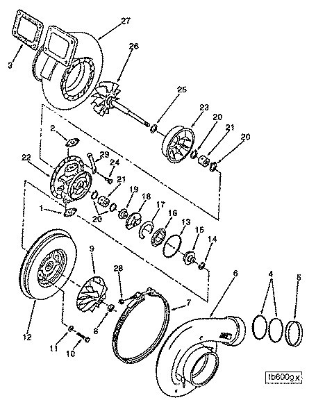
销售国内外工程机械发动机配件:曲轴、连杆、活塞、缸套、进/排气门、导管、大修包、止推片、水泵、缸体、发动机四配套、霍尔塞特涡轮增压器;、美国康明斯.
欢迎来电咨询:
电话:0746-8213959 13327268879
传真:0746-8213959 QQ:873712658 英子
永州冷水滩豪康动力配件经营部是一家专业销售康明斯全系列化配件的单位,本单位主导产品有:东风康明斯/美国康明斯4BT3.3、6BT5.9、6CT8.3 L8.9、ISBE、ISDE、ISLE总成。本单位优势产品为:康明斯配件NTA855、KTA19、KTA38、KTA50中冷器芯、热交换器芯、气缸盖总成、缸套、马达、淡水上下大修包等。重庆康明斯\西安康明斯\国产零部件产品:6BT5.9、6CT8.3、NTA855、K19、K38、K50、QST30、QSK60、QSK23、M11、L10等,包括弗列加滤清器、HOLSET增压器、气门、缸盖、机油泵、中冷芯、活塞环、大小瓦、缸套活塞、修理包、机油冷却器芯等。