瑞祥提供的气压式FD62-100钻孔动力头使用油压: 20-25kg/cm²;钻孔能力:Ø16(S45C),容许转速:3800rpm。
方技FD62-100钻孔动力头应用行业钻孔动力头主要应用于机床,钻床,铣床,钻孔专机,自动钻孔机,数控机床等行业设备上。
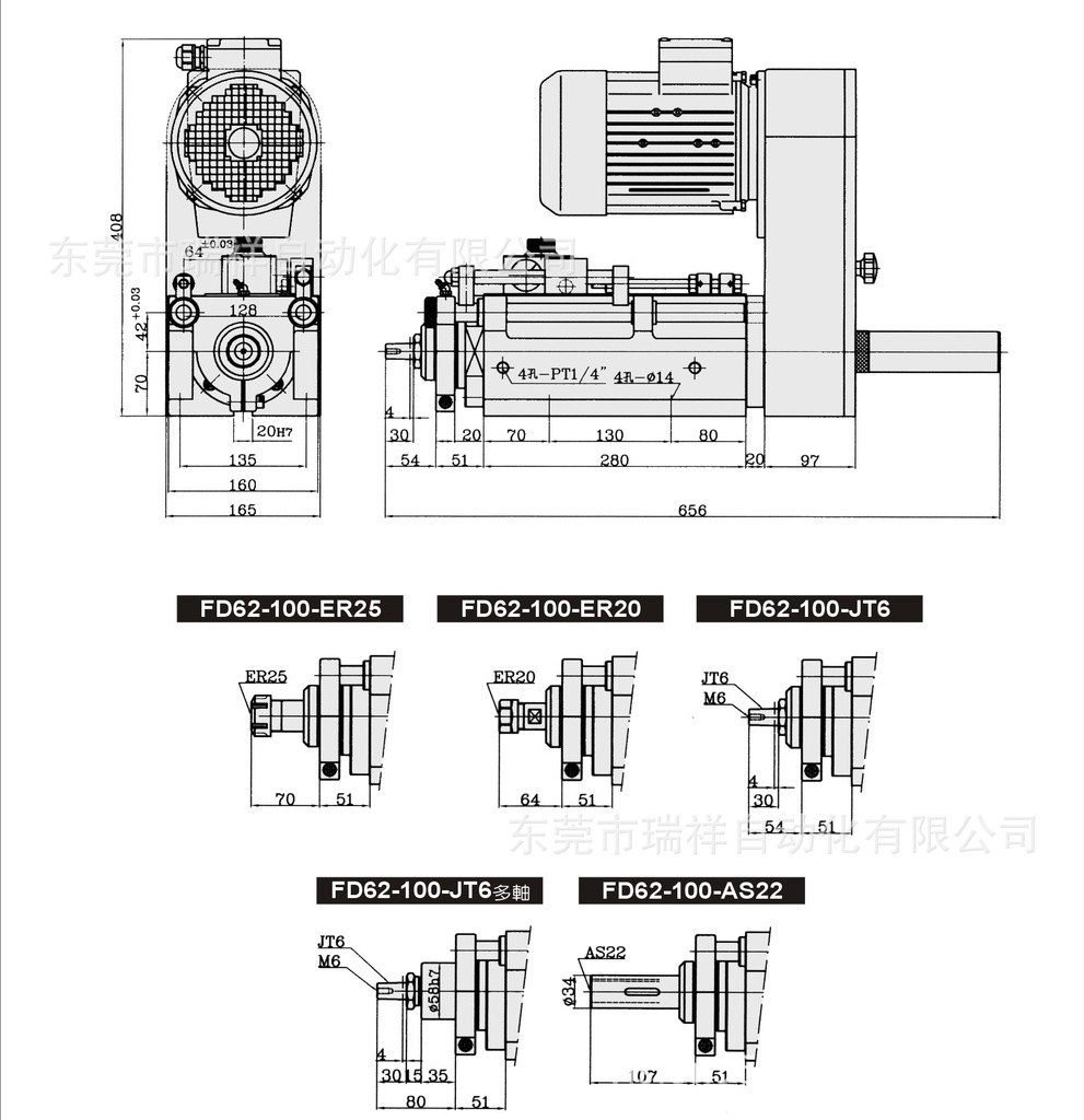
方技FD62-100钻孔动力头主要型号及参数FD62-100钻孔动力头参数概述

| 品 名 | 油压式FD62-100钻孔动力头 |
品 牌 | 台湾方技 |
使用油压 | 20-25kg/cm2 |
钻孔能力 | Φ16(S45C) |
容许转速 | 3800rpm |
FD62-100钻孔动力头详细参数
油压式FD62-100钻孔动力头规格:
使用油压 | 20-25㎏/cm² |
钻孔能力 | Ø16(S45C) |
流量控制阀 | -G02-4(R向) |
容许回转速 | 3,800rpm |
重 量 | 66㎏ |
总 行 程 | 100mm |
油压缸直径 | Ø80 |
油压缸面积 | 前进43.2cm2,后退30.6cm2 |
推 力 | 860㎏(20㎏/cm²) |
马 力 | 0.75kw-2Por4P,220V/380V |
传动轮方式 | a.A2-DP Ø91b.HTD-5GT-62T |
c.A3段式DPØ116,101,Ø81 |
油压式FD62-100钻孔动力头消耗品:
主轴轴承 | a.32005x1,6005Zx1,32004x1,6004Zx1 |
b.7005x2,7004x2 |
皮帶轮軸承 | a.6008Zx1,51208x1 or 51108x1 |
前盖油封 | UHS-58x1,P-58x1,USI-58-68-6x1,G-80x2 |
活塞油封 | OSY-80x2,G-45x1 |
后蓋油封 | P30x1,T601-30,40,6x1 G-75x1 |
油压管油封 | G-80x2 |
铜衬防尘油封 | SER-20x8 |
