更多
螺旋式熔断体
1台起批
¥
0.00
点此议价
浙江茗熔电器保护系统有限公司
中国
全部商品
查看联系方式
产品属性
图文详情
品牌推荐
品牌/型号
MIRO/茗熔/RO2系列/RS2系列
产品认证
GB13539/IEC60269
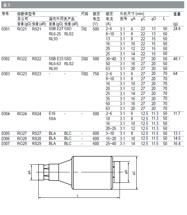
型号
RO2系列/RS2系列
额定电压
500-750(V)V
额定电流
2-63(A)A
额定分断电流
50kA(A)A
品牌
MIRO/茗熔
加工定制
是
基本参数
特性曲线
方管刀型触头熔断器支持件底座
¥面议
方管刀型触头熔断体
¥面议
方管刀型触头插入式熔断器底座
¥面议
汽车用熔断器
¥9.74元
熔断器附件及配件类
¥面议
方管刀型触头熔断体
¥面议
电气与能源设备
>
低压电器
>
低压熔断器
>
获取验证码
允许同品行业优质供应商联系我
您对此产品的咨询信息已成功发送给相应的供应商,请注意接听供应商电话。
对不起,您对此产品的咨询信息发送失败,请稍后重新发起咨询。
关闭
登录
|
注册
首页
|
我的马可
触屏版
电脑端
马可波罗版权所有1999-2020