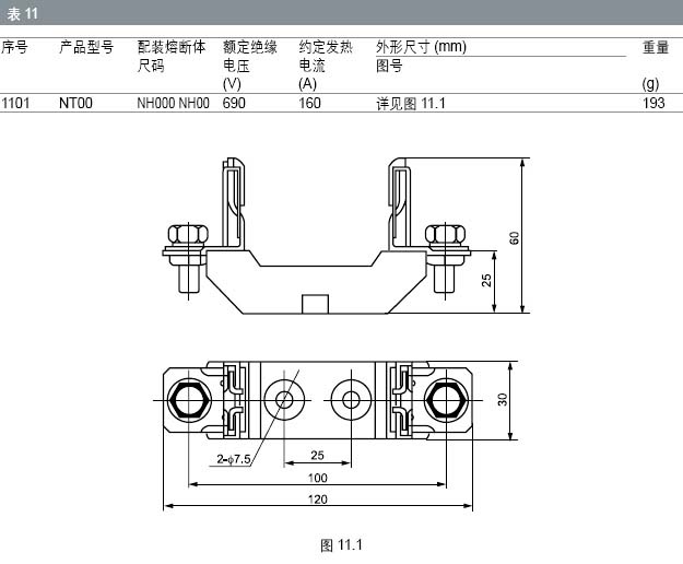
基本参数

结构特点:
本系列熔断器底座由高强度瓷底板/ 耐高温树脂底板、楔形静触头组合而成,呈敞开式结构。产品具有散热条件好、机械强 度高、接触可靠、操作方便等特点,能配装所有符合000~4 相应尺码的熔断体。
用途
本系列熔断器底座适用于交流50Hz、额定绝缘电压至690V、约定发热电流至1000A,主要在电气线路中作为尺码 000~4各种使用类别(gG、aM、aR 等)的熔断体的支持件。本系列熔断器底座具有耐受约定发热电流及预期短路冲击电流至120kA动热稳定的能力。本系列熔断器底座符合国家标准GB13539 和国际电工委标准IEC60269