新乡市振动机械厂有限公司是国内较早生产振动筛、振动电机、震动电机的专业厂家。建厂至今,励精图治,开发并生产出了十五种产品一百多种规格,产品已具成套化,从颗粒制粉、筛分、给料、输送、提升、搅拌、过滤、烘干、冷却等,是进行粉体加工到成品生产流水线作业的成套设备。
新乡市振动机械厂有限公司地处巍巍太行山下,滔滔黄河岸边的豫北名城新乡市,京广、新荷铁路在此交汇,107国道贯穿南北。我厂位于市建设路127号,交通便利,地理位置优越,先进的设备,雄厚的技术力量,完善的检测手段,良好的企业信誉,得到了国内外广大新老客户的广泛赞誉。
新乡市振动机械厂有限公司经营生产的国风机械系列产品主要有:
- 振动磨机、单筒磨、三筒磨、旋振磨、粉碎机、高速粉碎机、破碎机等制粉设备;
- 给料机、给料斗等给料设备;
- 旋振筛、过滤筛、超声波旋振筛、矿用振动筛、拍击检验筛、气流筛、直线振动筛等筛分设备;
- 螺旋输送、皮带输送、辊道输送、垂直输送、斜管加料机等输送设备;
- 斗式提升机、垂直提升机等提升设备;
- 混合机、搅拌机等混合设备;
- 及振动电机、立式振动电机、振动平台、仓壁振动器、烘干机等。
产品广销河南,山东,广东,上海,香港,四川,辽宁,河北、海南、天津等全国各地市,并出口东南亚、西亚、非洲等地,客户遍及粉末冶金、化工、医药、矿山、建材、玻璃、食品、涂料等各行业。

主要用途
本机适用于制药、化工、食品、饲料、染料、电子、建材等行业的粉状、粒状物料混合。
工作原理及特点
本机对流动性好的粉体及颗粒状进行混合,效果显著。本机操作时采用电器控制,配有自动加水装置,对凝成块后或含有一定水份的物料均能混合。筒体可用普钢和不锈钢材料制作,内外壁抛光,外形美观,操作方便。
技 术 参 数
型号 | W-300 | W-500 | W-1000 | W-1500 | W-2500 | W-4000 |
生产能力(kg/次) | 100 | 200 | 450 | 700 | 1200 | 2000 |
总容积(L) | 300 | 500 | 1000 | 1500 | 2500 | 4000 |
混合时间(min) | 4-8 | 4-8 | 6-12 | 6-12 | 6-15 | 6-15 |
电机功率(kw) | 1.1 | 2. 2 | 3 | 4 | 5.5 | 7.5 |
筒体转速(r/min) | 15 | 15 | 12 | 12 | 10 | 10 |
外形尺寸(长×宽×高)(mm) | 1680×650×1600 | 2080×750×1900 | 2150×850×2100 | 2300×1600×3100 | 2500×1000×2450 | 2980×1580×2800 |
注:上述数据,仅供参考,如有特殊要求,本厂提供设计、咨询服务。
操 作 注 意 事 项
要按电路图进行接线操作,接好线后,应按照控制箱面板的指示按钮进行设备试运转,确准无异常噪音后,即可按操作规程装料工作。
首先打开混合仓的一个料口,将一定量需混合的物料装入,之后封好盖子;
按下旋转起动按钮,设备开始工作,达到设定的旋转时间后,即可自动停止,这时可根据物料的混合程度,可在时间控制器上决定回转时间;根据物料不同,具体混合时间自行掌握;
在设备旋转过程中,可自动向混合仓内喷洒水或液体,可按要求进行时间和量上的自动设定控制;
达到所要求的旋转时间后,即可放料,进入包装或下道工序;
混合物料的有效容积小于混合仓总容积70%。
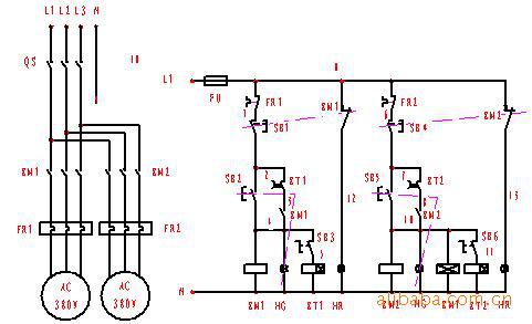
电 气 原 理 图

我们主要生产振动筛、直线震动筛、矿筛、旋振筛、过滤筛、沙石分级筛、脱水筛、圆振筛、拍击检验筛、气流筛、振动电机、振动平台、激振矿筛、振动料斗、振动给料机、电机输送机、皮带输送机、螺旋输送机、仓壁振动器、长距离高温输送机、立式振动磨机、卧式振动磨机、混合机、斗式提升机、垂直提升机、辊道输送机、粉碎机、超声波旋振筛、旋振磨、振动光饰机、切碎机等设备。
本机适用于制药、化工、食品、饲料、染料、电子、建材等行业的粉状、粒状物料混合。
特点:本机对流动性好的粉体及颗粒状进行混合,效果显著。本机操作时采用电器控制,配有自动加水装置,对凝成块后或含有一定水份的物料均能混合。筒体可用普钢和不锈钢材料制作,内外壁抛光,外形美观,操作方便。
联系电话: 张经理 13503809925 王经理 13569829600
固话 0373-3386027 0373-3357525 传真 0373-334920