更多
厂家直销YMC22F7KP40/P40不锈钢航空接插件
5台起批
516.00
点此议价
产品属性
图文详情
品牌推荐
品牌/型号
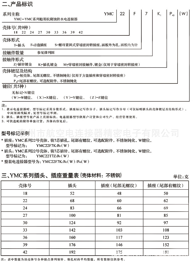
国产/YMC22F7KP40/P40不锈钢航空插头
工作频率
低频MHz
特性
防水
品牌
国产
型号
YMC22F7KP40/P40不锈钢航空插头
接口类型
AC/DC
支持卡数
多合一
制作工艺
冷压
绝缘体材质
硅橡胶电连接器
芯数
7芯航空插头
针数
1.5
线长
0(mm)
读卡类型
MD
加工定制
电子元器件 > 连接器 >
马可波罗版权所有1999-2020